Rumah > Produk > Bolt > Dua belas sudut bolt > 12 Bolt Spline Gigi Dengan Bebibir
        12 Bolt Spline Gigi Dengan Bebibir
        • 12 Bolt Spline Gigi Dengan Bebibir12 Bolt Spline Gigi Dengan Bebibir
        • 12 Bolt Spline Gigi Dengan Bebibir12 Bolt Spline Gigi Dengan Bebibir
        • 12 Bolt Spline Gigi Dengan Bebibir12 Bolt Spline Gigi Dengan Bebibir

        12 Bolt Spline Gigi Dengan Bebibir

        bolt spline 12 gigi dengan bebibir selalunya sesuai untuk projek yang memerlukan sambungan yang kukuh dan anti-gelincir. Ia boleh memberikan tork yang lebih baik dan menghalang bolt daripada tergelincir semasa proses mengetatkan. Bolt yang dihasilkan oleh kilang Xiaoguo® mematuhi piawaian pelaksanaan MS 14157B-1978.

        Hantar Pertanyaan

        Penerangan Produk

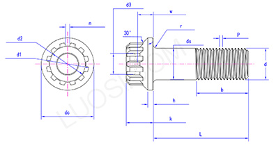
        Kepala bolt spline 12 gigi dengan bebibir direka dengan 12 gigi, yang boleh muat rapat dengan sepana soket spline yang sepadan. Di bahagian bawahnya, terdapat bebibir seperti gasket, yang boleh meningkatkan kawasan sentuhan dengan bahan yang disambungkan.


        Ciri-ciri Produk

        Bolt spline 12 gigi dengan flange mempunyai struktur unik 12 spline gigi ditambah flange. Spline 12 gigi menyediakan lebih banyak titik aplikasi daya, menjadikan operasi mengetatkan lebih tepat dan lancar. Bebibir memencarkan tekanan, meningkatkan kestabilan sambungan dan mengelakkan bolt daripada longgar.


        Bolt ini boleh disambungkan ke akar bilah turbin angin. Bolt bilah dikenakan daya sentrifugal sebanyak 20 tan. Ia boleh menanggung beban. Kepala spline boleh menahan tork hidraulik 1,000 N·m. Bebibir boleh menghalang akar bahan komposit daripada retak akibat pergerakan mikro. Ia perlu diganti setiap lima tahun, dan setiap bilah yang rosak berharga sebanyak 250,000 dolar AS.


        Bolt spline 12 gigi memerlukan pemutar skru spline yang sepadan. Mereka boleh menghantar tork yang besar tanpa pelucutan, jauh lebih baik daripada bolt heksagon. Bebibir terbina dalam berfungsi sama seperti gasket, jadi anda boleh menjimatkan komponen tambahan. Ia sangat sesuai untuk penyelenggaraan peralatan berat.


        12 bolt spline gigi dengan bebibir tidak mudah diusik. Kebanyakan orang tidak mempunyai alat spline. Bebibir boleh memastikan bolt tetap di bawah getaran dan ia digunakan pada jentera awam atau landasan kereta api di mana terdapat risiko kecurian. Untuk kawasan getaran tinggi (pemampat, penjana), ia boleh dipasang dengan kukuh. Pemandu spline tidak akan keluar. Pilihan bebibir bergerigi boleh menggigit permukaan. Tiada mesin basuh pengunci diperlukan.

        Parameter produk

        isn 1/4 16/5 3/8 16/7 1/2 16/9 5/8 3/4 7/8
        P 28 24 24 20 20 18 18 16 14
        dc maks 0.438 0.531 0.649 0.75 0.828 0.938 1.05 1.23 1.438
        dc min 0.428 0.521 0.639 0.74 0.818 0.928 1.04 1.22 1.428
        k maks 0.26 0.322 0.347 0.403 0.46 0.515 0.572 0.61 0.71
        k min 0.25 0.312 0.337 0.393 0.45 0.505 0.562 0.6 0.7
        h maks 0.055 0.071 0.079 0.092 0.112 0.122 0.133 0.165 0.19
        h min 0.035 0.051 0.059 0.072 0.092 0.102 0.113 0.145 0.17
        b min 0.55 0.638 0.708 0.803 0.878 0.97 1.04 1.201 1.367
        d3 maks 0.19 0.225 0.27 0.33 0.39 0.45 0.51 0.58 0.66
        d3 min 0.15 0.185 0.23 0.29 0.35 0.41 0.47 0.54 0.62
        w min 0.135 0.162 0.197 0.228 0.254 0.289 0.327 0.38 0.438
        ds maks 0.2495 0.312 0.3745 0.473 0.4995 0.5615 0.624 0.749 0.874
        ds min 0.2485 0.311 0.3735

        0.436

        0.4985 0.5605 0.623 0.748 0.873
        d1 maks 0.381 0.456 0.531 0.679 0.753 0.828 0.901 1.124 1.27
        d1 min 0.373 0.447 0.522 0.668 0.742 0.817 0.89 1.112 1.258
        d2 maks 0.324 0.389 0.455 0.585 0.651 0.717 0.782 0.978 1.107
        d2 min 0.318 0.383 0.448 0.578 0.644 0.711 0.774 0.97 1.099
        n maks 0.037 0.043 0.05 0.061 0.068 0.073 0.079 0.097 0.108
        n min 0.031 0.037 0.043 0.054 0.06 0.065 0.071 0.088 0.099
        r maks 0.041 0.041 0.057 0.057 0.057 0.057 0.073 0.073 0.073
        r min 0.031 0.031 0.047 0.047 0.047 0.047 0.063 0.063 0.063

        12 teeth spline bolts with flange

        Teg Panas: Bolt Spline 12 Gigi Dengan Bebibir, China, Pengilang, Pembekal, Kilang
        Kategori Berkaitan
        Hantar Pertanyaan
        Sila berasa bebas untuk memberikan pertanyaan anda dalam borang di bawah. Kami akan membalas anda dalam masa 24 jam.
        X
        Kami menggunakan kuki untuk menawarkan anda pengalaman menyemak imbas yang lebih baik, menganalisis trafik tapak dan memperibadikan kandungan. Dengan menggunakan tapak ini, anda bersetuju dengan penggunaan kuki kami. Dasar Privasi
        Tolak Terima