Rumah > Produk > Kacang > Skru Tangan Nat > Kacang Gelek Saduran Nikel Hitam
        Kacang Gelek Saduran Nikel Hitam
        • Kacang Gelek Saduran Nikel HitamKacang Gelek Saduran Nikel Hitam
        • Kacang Gelek Saduran Nikel HitamKacang Gelek Saduran Nikel Hitam

        Kacang Gelek Saduran Nikel Hitam

        Sumber komponen Black Nickel Plating Rolling Nut tahan lama secara langsung. Sebagai kilang Rolling Nut Penyaduran Nikel Hitam Hitam China yang terkemuka, XIAO GUO mengeluarkan kacang dengan galas bebola edaran semula untuk geseran minimum, jangka hayat dan kapasiti beban yang tinggi.

        Hantar Pertanyaan

        Penerangan Produk

        Pilihan yang paling biasa ialah Black Nickel Plating Rolling Nut yang diperbuat daripada keluli karbon. Ia cukup kuat untuk kerja kepingan logam biasa, seperti pemasangan perabot atau pembaikan peralatan kecil. Kebanyakan keluli karbon mempunyai penyaduran zink untuk mengelakkan karat, yang berfungsi dengan baik untuk kegunaan dalaman atau tempat luaran yang tertutup.

        Untuk persekitaran lembap atau penggunaan luar, keluli tahan karat adalah pilihan yang lebih baik. Ia tahan terhadap kelembapan dan kakisan, walaupun di kawasan yang sedikit masin berhampiran pantai. Kami juga mempunyai versi aluminium untuk keperluan ringan—kebanyakannya digunakan dalam elektronik, di mana bahagian berat mungkin menjejaskan prestasi peranti.

        Semua bahan memenuhi piawaian industri asas, tiada rawatan tambahan yang tidak perlu. Pilih keluli karbon untuk tugas harian, keluli tahan karat untuk tempat basah dan aluminium untuk kerja ringan. Pilihan material Black Nickel Plating Rolling Nut meliputi keperluan pemasangan yang paling biasa, tiada alat tambah mewah hanya pilihan praktikal.


        Rawatan permukaan produk

        Penyaduran zink adalah pilihan yang paling biasa. Ia adalah proses asas yang membantu mencegah karat, baik untuk kegunaan dalaman atau tempat luaran yang tertutup. Ia tidak menambah ketebalan tambahan, jadi ia tidak akan menjejaskan cara nat dimuatkan ke dalam lubang kepingan logam semasa pemasangan. Kebanyakan kacang kegunaan harian datang dengan rawatan ini.

        Untuk rintangan kakisan yang lebih baik, terdapat galvanizing hot-dip. Ia lebih tebal daripada penyaduran zink biasa, jadi ia tahan lebih lama di kawasan lembap atau tempat yang mempunyai sedikit kelembapan, seperti bengkel berhampiran pantai. Untuk kacang keluli tahan karat, kami melakukan rawatan pempasifan—ia hanya meningkatkan keupayaan kalis karat semulajadi tanpa mengubah rupanya.

        Tiada salutan mewah di sini, hanya yang praktikal. Pilih penyaduran zink untuk keperluan standard, galvanizing hot-dip untuk persekitaran lembap, dan pempasifan untuk model keluli tahan karat. Rawatan permukaan Black Nickel Plating Rolling Nut adalah mengenai perlindungan asas, yang sesuai dengan senario pemasangan kepingan logam yang paling biasa.

        Black Nickel Plating Rolling Nut

        Sesi Soal Jawab

        S: Bolehkah saya memasangnya tanpa alat profesional?

        J: Tidak, anda memerlukan alat penekan asas atau mesin rivet kecil. Memalu manual tidak disyorkan; ia akan merosakkan benang kacang atau menjadikannya longgar. Untuk kelompok kecil, alat penekan manual pegang tangan berfungsi. Untuk pesanan besar, mesin penekan automatik adalah lebih cekap. Kami juga boleh mengesyorkan model alat yang sesuai dengan produk kami jika anda belum mempunyai model yang betul.  

        Black Nickel Plating Rolling Nut



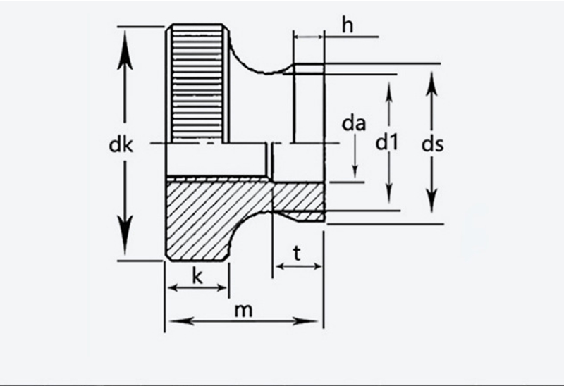
        saiz Pitch Diameter luar Ketinggian k ds da d1 T h
        maks min maks min maks min maks min maks
        M3 0.5  11  10.7  6.64  2.8  5.7  3.5  3.2  5.2  1.2 
        M4 0.7  12  11.7  7.64  7.64  4.5  4.2  6.4  2.5  1.5 
        M5 0.8  16  15.7  10  96.6  10  9.64  5.5  5.5 
        M6 20  19.7  12  11.6  12  11.6  6.56  6.2  11  2.5 
        M8 1.25  24  23.7  16  15.6  16  15.6  8.86  8.5  13 
        M10 1.5 30 29.7 20 19.5 8 20 19.5 10.9 10.5 17.2 6.5 3.8
        Teg Panas: Black Nickel Plating Rolling Nut, China, Pengilang, Pembekal, Kilang
        Kategori Berkaitan
        Hantar Pertanyaan
        Sila berasa bebas untuk memberikan pertanyaan anda dalam borang di bawah. Kami akan membalas anda dalam masa 24 jam.
        X
        Kami menggunakan kuki untuk menawarkan anda pengalaman menyemak imbas yang lebih baik, menganalisis trafik tapak dan memperibadikan kandungan. Dengan menggunakan tapak ini, anda bersetuju dengan penggunaan kuki kami. Dasar Privasi
        Tolak Terima