Rumah > Produk > Bolt > Bolt Kepala Persegi > Bolt Kepala Segi Empat Metrik Keluli Karbon
        Bolt Kepala Segi Empat Metrik Keluli Karbon
        • Bolt Kepala Segi Empat Metrik Keluli KarbonBolt Kepala Segi Empat Metrik Keluli Karbon
        • Bolt Kepala Segi Empat Metrik Keluli KarbonBolt Kepala Segi Empat Metrik Keluli Karbon
        • Bolt Kepala Segi Empat Metrik Keluli KarbonBolt Kepala Segi Empat Metrik Keluli Karbon
        • Bolt Kepala Segi Empat Metrik Keluli KarbonBolt Kepala Segi Empat Metrik Keluli Karbon
        • Bolt Kepala Segi Empat Metrik Keluli KarbonBolt Kepala Segi Empat Metrik Keluli Karbon

        Bolt Kepala Segi Empat Metrik Keluli Karbon

        Bolt Kepala Segi Empat Metrik Keluli Karbon, yang biasa digunakan dalam pembinaan, kerja kayu dan aplikasi jentera lama, menawarkan estetika vintaj atau tugas berat. Bagi Xiaoguo®—pembekal pengikat yang berpengalaman—kualiti produk yang konsisten bagi bolt sedemikian adalah komitmen teras.
        Model:ASME/ANSI B18.2.1-1-1972

        Hantar Pertanyaan

        Penerangan Produk

        Sejauh mana Bolt Kepala Persegi Metrik Keluli Karbon bertahan kebanyakannya bergantung pada gred bahannya. Gred keluli karbon biasa ialah 4.6 (mereka boleh mengambil sekurang-kurangnya 400 MPa apabila ditarik), 5.6 (500 MPa), 8.8 (800 MPa), 10.9 (1000 MPa) dan 12.9 (1200 MPa).

        Keluli tahan karat biasa seperti A2-304 dan A4-316 mempunyai ciri yang sangat praktikal - ia tidak mudah berkarat. Walau bagaimanapun, mereka mempunyai had yang kecil, iaitu daya tegangan yang mereka boleh tahan secara amnya tidak terlalu tinggi, biasanya dalam julat 500 hingga 700 MPa. Bolt kepala segi empat sama metrik gred lebih tinggi (8.8 dan ke atas) dirawat haba untuk menjadikannya lebih kuat.

        Parameter Produk

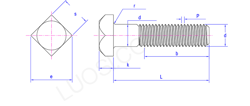
        isn 3/8 16/7 1/2 5/8 3/4 7/8 1 1-1/8 1-1/4 1-3/8 1-1/2
        P 16|24|32 14|20|28 13|20|28 11|18|24 10|16|20 9|14|20 8|12|20 7|12|18 7|12|18 6|12|18 6|12|18
        ds maks 0.388 0.452 0.515 0.642 0.768 0.895 1.022 1.149 1.277 1.404 1.531
        s maks 0.562 0.625 0.75 0.938 1.125 1.312 1.5 1.688 1.875 2.062 2.25
        s min 0.544 0.603 0.725 0.906 1.088 1.269 1.45 1.631 1.812 1.994 2.175
        e maks 0.795 0.884 1.061 1.326 1.591 1.856 2.121 2.386 2.652 2.917 3.182
        e min 0.747 0.828 0.995 1.244 1.494 1.742 1.991 2.239 2.489 2.738 2.986
        k maks 0.268 0.316 0.348 0.444 0.524 0.62 0.684 0.78 0.876 0.94 1.036
        k min 0.232 0.278 0.308 0.4 0.476 0.568 0.628 0.72 0.812 0.872 0.964
        r maks 0.03 0.03 0.03 0.06 0.06 0.06 0.09 0.09
        0.09
        0.09
        0.09
        r min 0.01 0.01
        0.01
        0.02 0.02
        0.02
        0.03 0.03
        0.03
        0.03
        0.03

        Carbon Steel Metric Square Head Bolts


        Butiran Produk

        Untuk memasukkan Bolt Kepala Persegi Metrik Keluli Karbon, anda memerlukan sepana hujung terbuka bersaiz yang betul, sepana boleh laras atau soket segi empat tepat. Mendapatkannya cukup ketat tetapi tidak terlalu penting—anda perlu mengikut nombor tork yang dicadangkan. Ini mengikut diameter bolt, gred bahan, padang benang, dan sama ada ia dilincirkan.

        Senario Operasi Kejuruteraan (Tambahan Butiran) Jika sambungan tidak diketatkan mengikut tork standard (atau "jika tahap pengetatan tidak memenuhi standard"), sambungan mungkin akan longgar kemudian, memerlukan pemeriksaan dan pengukuhan kedua. Apabila tork pengetatan bolt melebihi nilai yang ditentukan, adalah mudah untuk menyebabkan bolt regangan plastik atau terus pecah. Untuk memastikan kestabilan sambungan dan mengelakkan kegagalan bolt, dokumen panduan tork yang dikeluarkan oleh pengilang atau jabatan kejuruteraan mesti dipatuhi dengan ketat.

        Soalan Lazim

        S: Apakah saiz sepana yang diperlukan untuk memasang Carbon Steel Metric Square Head Bolts? Adakah ia sama dengan saiz benang?

        J: Saiz sepana (lebar merentasi bahagian rata) untuk Bolt Kepala Segi Empat Metrik Keluli Karbon adalah lebih besar daripada diameter benang. Sebagai contoh, bolt kepala segi empat sama metrik seperti M12 biasanya boleh diketatkan dengan sepana 19mm. Tetapi jangan hanya menggunakannya secara langsung. Anda mesti terlebih dahulu merujuk carta saiz tertentu bolt dan cari sepana yang betul sebelum memasang dan mengetatkannya.



        Teg Panas: Bolt Kepala Persegi Metrik Keluli Karbon, China, Pengilang, Pembekal, Kilang
        Kategori Berkaitan
        Hantar Pertanyaan
        Sila berasa bebas untuk memberikan pertanyaan anda dalam borang di bawah. Kami akan membalas anda dalam masa 24 jam.
        X
        Kami menggunakan kuki untuk menawarkan anda pengalaman menyemak imbas yang lebih baik, menganalisis trafik tapak dan memperibadikan kandungan. Dengan menggunakan tapak ini, anda bersetuju dengan penggunaan kuki kami. Dasar Privasi
        Tolak Terima