Pengedap keluli karbon merangkul kacang adalah sejenis pengikat yang digunakan untuk menyambungkan plat nipis atau logam lembaran. Mereka diperbuat daripada keluli karbon, marah dan dipadamkan untuk meningkatkan kekerasan, dan permukaannya tergalvani atau sebaliknya dibuat tahan kakisan.
Pengedap kacang kedap cukup mudah, anda boleh menggunakan alat pneumatik atau hidraulik standard. Begini bagaimana ia berfungsi: Pertama, letakkan kacang ke dalam lubang pra-pukulan, kemudian gunakan pukulan dan mati set untuk menggunakan tekanan. The Die menekan logam lembaran di sekitar kolar kacang, membentuk kunci mekanikal pepejal dalam satu langkah cepat.
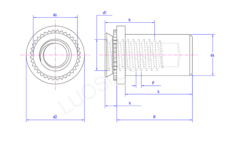
| Mon | M3-1 | M3-2 | M4-1 | M4-2 | M5-1 | M5-2 | M6-1 | M6-2 |
| P | 0.5 | 0.5 | 0.7 | 0.7 | 0.8 | 0.8 | 1 | 1 |
| ds max | 3.84 | 3.84 | 5.2 | 5.2 | 6.35 | 6.35 | 8.75 | 8.75 |
| DC Max | 4.2 | 4.2 | 5.38 | 5.38 | 6.33 | 6.33 | 8.73 | 8.73 |
| B min | 5.3 | 5.3 | 7.1 | 7.1 | 7.1 | 7.1 | 7.8 | 7.8 |
| H max | 0.91 | 1.38 | 0.97 | 1.38 | 0.97 | 1.38 | 1.38 | 1.38 |
| H max | 9.85 | 9.85 | 11.45 | 11.45 | 11.45 | 11.45 | 14.55 | 14.55 |
| H min | 9.35 | 9.35 | 10.95 | 10.95 | 10.95 | 10.95 | 14.05 | 14.05 |
| k max | 8.5 | 8.5 | 9.8 | 9.8 | 9.8 | 9.8 | 12.7 | 12.7 |
| D2 Max | 6.6 | 6.6 | 8.2 | 8.2 | 9 | 9 | 11.35 | 11.35 |
| D2 min | 6.1 | 6.1 | 7.7 | 7.7 | 8.5 | 8.5 | 10.85 | 10.85 |
| D1 | M3 | M3 | M4 | M4 | M5 | M5 | M6 | M6 |
Pengedap keluli karbon yang merangkul kacang ditakrifkan oleh pengukuran utama: saiz thread (seperti M4, M5, M6, atau 1/4 "-20), merebut diameter kolar, ketinggian jumlah, dimensi mesin basuh pengedap, dan julat ketebalan lembaran yang mereka bekerja dengan (Min dan Max).
Kekuatan mereka (seberapa baik mereka menentang ditolak atau dipintal) diuji terhadap piawaian industri (fikir ISO, DIN, IFI). Memilih saiz yang betul adalah masalah besar, ia memastikan meterai memegang dan kacang cukup kuat untuk pekerjaan itu.
Untuk memasang pengedap keluli karbon yang merangkumi kacang, anda memerlukan alat klinik khusus dan menetapkan set yang sesuai dengan saiz kacang. Pertama, letakkan kacang ke dalam lubang pra-pukulan dalam logam lembaran. Kemudian alat itu menggunakan tekanan terkawal, yang menjadikan juruterbang kacang dan knurl tenggelam ke dalam logam sekitarnya. Proses pembentukan sejuk ini mengunci kacang keluli tahan karat di tempat untuk kebaikan dan pada masa yang sama, ia menyapu mesin basuh pengedap terbina dalam panel. Itulah bagaimana ia mewujudkan meterai kebocoran yang menjadikan kacang-kacangan ini unik.
