Rumah > Produk > Skru > Skru Beralur Silang > Skru Kepala Kuali Bersilang Dengan Kolar
        Skru Kepala Kuali Bersilang Dengan Kolar
        • Skru Kepala Kuali Bersilang Dengan KolarSkru Kepala Kuali Bersilang Dengan Kolar
        • Skru Kepala Kuali Bersilang Dengan KolarSkru Kepala Kuali Bersilang Dengan Kolar
        • Skru Kepala Kuali Bersilang Dengan KolarSkru Kepala Kuali Bersilang Dengan Kolar
        • Skru Kepala Kuali Bersilang Dengan KolarSkru Kepala Kuali Bersilang Dengan Kolar

        Skru Kepala Kuali Bersilang Dengan Kolar

        Skru kepala kuali ceruk silang dengan kolar mempunyai kepala bulat dengan ceruk salib di tengah, yang kelihatan baik dan mengurangkan kemungkinan tersangkut barang lain. Kilang Xiaoguo® mempunyai sistem kawalan kualiti yang ketat untuk menyediakan skru yang tahan lasak dan sifar kecacatan.
        Model:DIN 967-1994

        Hantar Pertanyaan

        Penerangan Produk

        Skru kepala kuali bersilang dengan kolargunakan bahan yang sesuai untuk pekerjaan tertentu. Jenis keluli tahan karat (seperti gred 304/316) sesuai digunakan di kawasan yang mudah berkarat, ia mengendalikan kakisan dengan lebih baik. Skru keluli aloi dirawat haba untuk menguatkannya untuk kerja sukar yang memerlukan tegangan tinggi. Perlukan sesuatu yang lebih ringan? Pilihan aluminium atau loyang berfungsi dengan baik dan tahan dengan baik semasa kelihatan bersih.

        Ia datang dengan salutan seperti penyaduran zink (melawan haus) atau oksida hitam (membantu kekonduksian). Memilih bahan yang betul bermakna skru ini mencapai spesifikasi industri untuk had berat, toleransi haba dan prestasi persekitaran. Pada asasnya, mereka mempunyai pilihan untuk menampung kebanyakan situasi.


        Arahan penggunaan produk

        Apabila anda menggunakan skru ini, anda perlu terlebih dahulu menyediakan pemutar skru silang yang sepadan dengan saiznya. Kemudian, cari kedudukan di mana anda perlu membetulkan bahagian, dan buat lubang jika tiada lubang berulir sedia ada. Seterusnya, masukkan skru ke dalam lubang, selaraskan pemutar skru silang dengan ceruk silang pada kepala skru. Pegang pemutar skru dengan kuat dan pusingkannya mengikut arah jam sehingga skru diketatkan. Kolar pada skru akan sesuai rapat dengan permukaan bahagian, jadi anda tidak perlu menambah pencuci tambahan. Jangan pusingkannya terlalu keras, jika tidak, ia boleh merosakkan benang atau pemutar skru. Ia sesuai untuk memasang bahagian yang diperbuat daripada kayu, plastik atau logam nipis. Skru Kepala Kuali Bersilang Dengan Kolar mudah digunakan, walaupun untuk orang yang tidak mempunyai banyak pengalaman dalam pemasangan, mereka boleh menyelesaikan operasi dengan lancar dengan mengikuti langkah-langkah ini.




        Cross recessed pan head screws with collar


        Aplikasi

        Skru kepala kuali bersilang dengan kolaradalah penting dalam banyak industri yang berbeza. Dalam pembuatan kereta, mereka memegang panel dalaman dan memangkas pada tempatnya tanpa sebarang tepi terkeluar. Syarikat elektronik menggunakannya untuk menyusun sarung peranti, memandangkan ruang sempit, mereka memerlukan skru rata yang tidak mengambil banyak ruang. Pembuat perabot memasang engsel atau slaid laci dengan skru ini supaya ia tidak ketara.

        Untuk peralatan marin atau papan tanda luar, versi tahan karat adalah satu kemestian, ia tahan terhadap persekitaran yang basah atau keras. Dalam sistem HVAC, ia melindungi bahagian kerja saluran dan tidak terlepas daripada getaran. Bidang perubatan menggunakan keluli tahan karat yang boleh disterilkan untuk memasang peralatan. Malah untuk projek DIY, seperti lekapan lampu pelekap atau kepingan logam hiasan, iniskru kepala kuali ceruk silang dengan kolarberfungsi dengan baik, menunjukkan betapa serba boleh ia untuk pelbagai kegunaan.

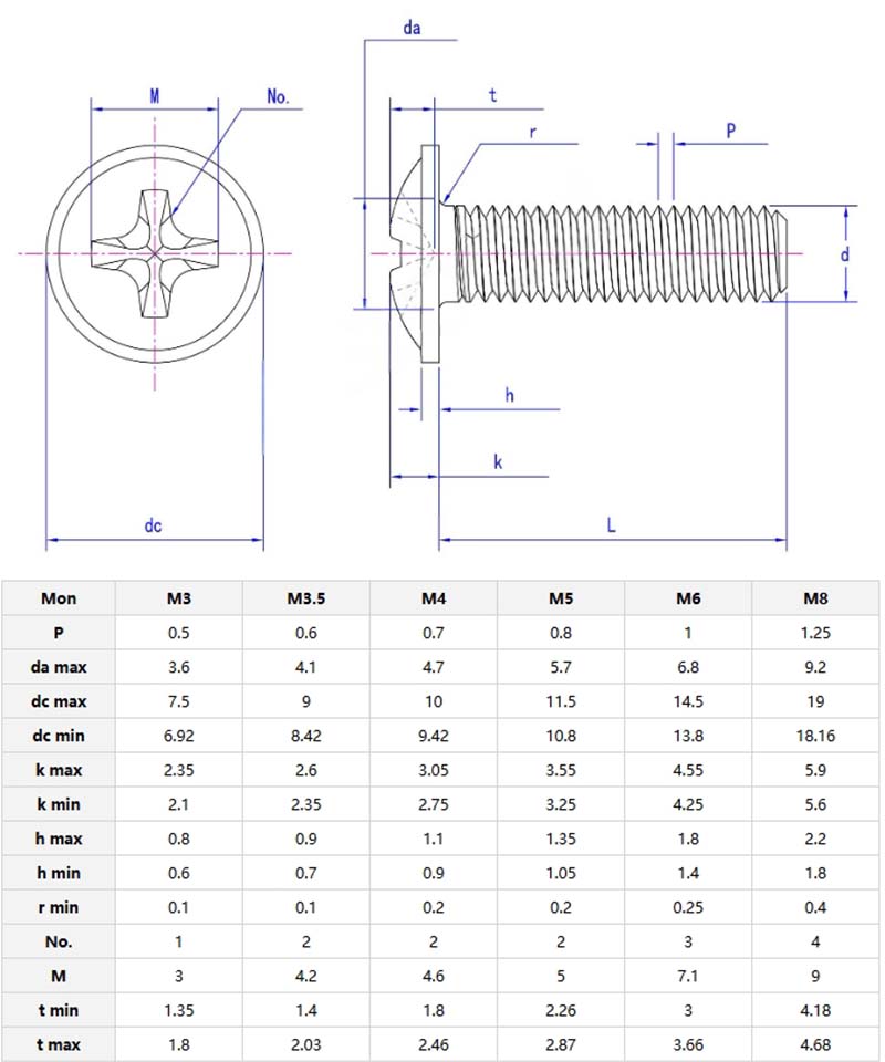
        Cross recessed pan head screws with collar parameter

        Pilihan pembungkusan

        S: Apakah pilihan pembungkusan yang tersedia untuk pesanan pukalskru kepala kuali ceruk silang dengan kolar?

        A:Skru kepala kuali bersilang dengan kolardibungkus secara pukal, fikirkan beg PVC atau PE, dimeterai dengan vakum dengan bahan pengering untuk memastikan ia kering, atau diisih ke dalam kotak plastik atau kertas berlabel. Untuk talian pemasangan automatik, kami datang dalam pembungkusan pita dan kekili. Apabila penghantaran ke luar negara, kami akan menggunakan karton layak laut yang dialas dengan kertas VCI anti-karat untuk melindunginya semasa transit.

        Standardskrulazimnya dihantar dalam kelompok 1,000 hingga 10,000 unit, kuantiti pesanan minimum (MOQ) lain berbeza-beza bergantung pada bahan dan saiz. Untuk pesanan besar, palletkannya untuk memudahkan pengendalian.

        Teg Panas: Skru Kepala Kuali Bersilang Dengan Kolar, China, Pengilang, Pembekal, Kilang
        Kategori Berkaitan
        Hantar Pertanyaan
        Sila berasa bebas untuk memberikan pertanyaan anda dalam borang di bawah. Kami akan membalas anda dalam masa 24 jam.
        X
        Kami menggunakan kuki untuk menawarkan anda pengalaman menyemak imbas yang lebih baik, menganalisis trafik tapak dan memperibadikan kandungan. Dengan menggunakan tapak ini, anda bersetuju dengan penggunaan kuki kami. Dasar Privasi
        Tolak Terima