Rumah > Produk > Kacang > Skru Tangan Nat > Alat Perkakasan Rolling Nut
        Alat Perkakasan Rolling Nut
        • Alat Perkakasan Rolling NutAlat Perkakasan Rolling Nut
        • Alat Perkakasan Rolling NutAlat Perkakasan Rolling Nut

        Alat Perkakasan Rolling Nut

        Memastikan pematuhan dan keselamatan sistem. Produk yang diperakui XIAO GUO Alat Perkakasan Rolling Nut CE memenuhi piawaian yang ketat. Kacang kami direka bentuk untuk operasi jangka panjang yang boleh dipercayai dalam persekitaran industri yang mencabar.

        Hantar Pertanyaan

        Penerangan Produk

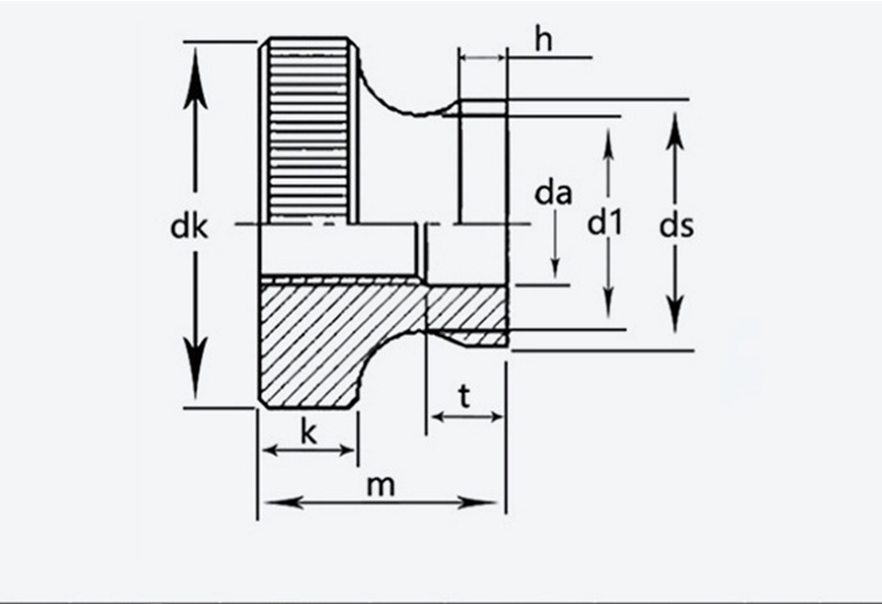
        Spesifikasi Alat Perkakasan Rolling Nut untuk alatan perkakasan terutamanya termasuk saiz benang dalaman dan diameter luar. Saiz benang berjulat dari M2 hingga M8, yang paling biasa untuk pemasangan kepingan logam nipis. Diameter luar sepadan dengan benang ini—benang yang lebih kecil pergi dengan diameter yang lebih kecil, jadi ia sesuai dengan lubang pra-gerudi dengan betul. Anda hanya memilih berdasarkan saiz bolt yang akan anda gunakan dengannya.

        Gred adalah mudah: gred standard dan gred berkekuatan tinggi. Gred standard berfungsi untuk tugas biasa, seperti kurungan perabot atau sarung elektronik. Gred berkekuatan tinggi diperbuat daripada bahan yang lebih tebal, baik untuk mesin atau bahagian yang perlu menanggung lebih daya tanpa tergelincir.

        Setiap kacang mempunyai spesifikasi dan gred yang ditandakan pada label pembungkusan, jadi mudah untuk memilih yang betul. Tiada pengekodan yang rumit, hanya nombor asas dan perkataan. Spesifikasi dan gred Alat Perkakasan Rolling Nut merangkumi keperluan kerja kepingan logam yang paling biasa, tiada pilihan tambahan yang mewah.

        Hardware Tools Rolling Nut

        Kawalan kualiti produk

        Kita mulakan dengan pemeriksaan bahan mentah. Setiap kelompok logam diperiksa sama ada retak, lekuk atau bintik lemah. Hanya bahan yang layak akan dihasilkan—ini adalah langkah pertama untuk memastikan kualiti selaras.

        Semasa pengeluaran, kami melakukan pemeriksaan mengejut secara berkala. Kami melihat ketepatan benang terlebih dahulu; mereka perlu memasang bolt dengan lancar tanpa tompok yang ketat atau longgar. Kami juga sering mengukur diameter luar dan ketebalan untuk memastikan ia sepadan dengan spesifikasi standard. Rawatan permukaan juga diperiksa, memastikan tiada penyaduran nipis atau kawasan terlepas yang boleh menyebabkan karat.

        Sebelum penghantaran, sampel rawak daripada setiap kumpulan melalui ujian pemasangan. Kami menekannya ke dalam kepingan logam dan menguji sama ada ia tahan dengan kuat tanpa tergelincir. Kami juga memeriksa sebarang calar permukaan atau kecacatan. Alat Perkakasan Rolling Nut melalui langkah mudah tetapi ketat ini untuk memastikan ia berfungsi dengan baik untuk kerja pemasangan harian.

        Sesi Soal Jawab

        S: Adakah ia mudah berkarat di kawasan lembap pantai?

        A: Ia bergantung kepada rawatan permukaan. Yang bersalut zink mungkin berkarat selepas 1-2 tahun dalam kelembapan yang tinggi. Tergalvani celup panas atau keluli tahan karat adalah lebih baik untuk kawasan pantai—ia boleh menahan kabus garam dan lembapan selama 5-8 tahun. Jika produk anda digunakan di luar rumah, kami cadangkan memilih keluli tahan karat  Nut. Kami juga boleh menyediakan laporan ujian rintangan kakisan untuk rujukan anda.  

        Hardware Tools Rolling Nut


        saiz Pitch Diameter luar Ketinggian k ds da d1 T h
        maks min maks min maks min maks min maks
        M3 0.5  11  10.7  6.64  2.8  5.7  3.5  3.2  5.2  1.2 
        M4 0.7  12  11.7  7.64  7.64  4.5  4.2  6.4  2.5  1.5 
        M5 0.8  16  15.7  10  96.6  10  9.64  5.5  5.5 
        M6 20  19.7  12  11.6  12  11.6  6.56  6.2  11  2.5 
        M8 1.25  24  23.7  16  15.6  16  15.6  8.86  8.5  13 
        M10 1.5 30 29.7 20 19.5 8 20 19.5 10.9 10.5 17.2 6.5 3.8
        Teg Panas: Alat Perkakasan Rolling Nut, China, Pengilang, Pembekal, Kilang
        Kategori Berkaitan
        Hantar Pertanyaan
        Sila berasa bebas untuk memberikan pertanyaan anda dalam borang di bawah. Kami akan membalas anda dalam masa 24 jam.
        X
        Kami menggunakan kuki untuk menawarkan anda pengalaman menyemak imbas yang lebih baik, menganalisis trafik tapak dan memperibadikan kandungan. Dengan menggunakan tapak ini, anda bersetuju dengan penggunaan kuki kami. Dasar Privasi
        Tolak Terima