Rumah > Produk > Bolt > Bolt Bebibir Kepala Heksagon > Bolt Heksagon Dengan Bebibir
        Bolt Heksagon Dengan Bebibir
        • Bolt Heksagon Dengan BebibirBolt Heksagon Dengan Bebibir
        • Bolt Heksagon Dengan BebibirBolt Heksagon Dengan Bebibir
        • Bolt Heksagon Dengan BebibirBolt Heksagon Dengan Bebibir

        Bolt Heksagon Dengan Bebibir

        Baut heksagon dengan bebibir yang dihasilkan oleh Xiaoguo® dipercayai oleh pelanggan di seluruh dunia. Kawalan ketat telah dilaksanakan sepanjang proses pengeluaran. Jika anda ingin bertanya tentang harga, sila hubungi kami.
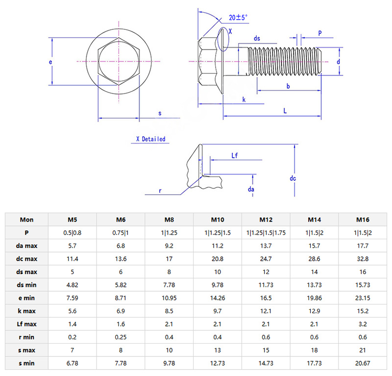
        Model:ISO 15071-1999

        Hantar Pertanyaan

        Penerangan Produk

        Di bawahbolt heksagon dengan bebibir, terdapat bebibir seperti cakera. Ia membolehkan bolt memainkan peranan khas apabila menyambungkan sesuatu. Bolt jenis ini boleh memainkan peranan di banyak tempat di mana keperluan sambungan agak tinggi.

        Hexagon Bolts With Flange

        Aplikasi dan parameter

        Baut heksagon dengan bebibirboleh mengelakkan hujan dan karat. Rawatan permukaan galvanizing hot-dip membolehkan ia digunakan untuk pagar, bangsal atau rangka teres. Plat bebibir boleh menghalang bolt daripada tersangkut pada kayu atau logam nipis dan tidak memerlukan rawatan penggilapan. Mereka sesuai untuk bangunan belakang rumah.

        Digunakan di bengkel dan ladang yang berdebu. Bebibir bergerigi boleh memegang sendi berkarat dengan kuat, dan kepala heksagon tidak akan jatuh walaupun di bawah tork yang tinggi. Ia boleh digunakan dalam traktor, silo bijirin dan rak tugas berat.


        Struktur plat bebibir yang menebal disepadukan padabolt heksagon dengan bebibir, menggabungkan ciri pemanduan kepala heksagon dengan fungsi penyebaran beban paksi. Ambil motor industri sebagai contoh. Getaran yang dijana semasa operasi boleh menyebabkan kehausan atau pengecilan pramuat pada pengikat tradisional dengan mudah. Bolt bebibir kepala heksagon dengan berkesan boleh menekan penghantaran tenaga getaran ke antara muka sambungan melalui kesan redaman plat bebibir dan pengoptimuman pengagihan tekanan pada permukaan sentuhan.

        Hexagon Bolts With Flange

        Titik jualan produk

        Titik jualan terbesar bagibolt heksagon dengan bebibirialah sambungannya stabil dan ia boleh menyuraikan tekanan dengan berkesan. Mereka meningkatkan kawasan sentuhan dengan objek yang disambungkan. Apabila diketatkan, daya boleh diagihkan sama rata, menjadikan sambungan lebih selamat dan mengurangkan kerosakan pada bahan. Ia mempunyai keupayaan yang lebih kuat untuk menahan getaran.


        Teg Panas: Bolt Heksagon Dengan Bebibir, China, Pengilang, Pembekal, Kilang
        Kategori Berkaitan
        Hantar Pertanyaan
        Sila berasa bebas untuk memberikan pertanyaan anda dalam borang di bawah. Kami akan membalas anda dalam masa 24 jam.
        X
        Kami menggunakan kuki untuk menawarkan anda pengalaman menyemak imbas yang lebih baik, menganalisis trafik tapak dan memperibadikan kandungan. Dengan menggunakan tapak ini, anda bersetuju dengan penggunaan kuki kami. Dasar Privasi
        Tolak Terima