Rumah > Produk > Bolt > Bolt kepala kuali soket hexalobular > Bolt kepala heksalobular dengan bebibir kecil
      Bolt kepala heksalobular dengan bebibir kecil
      • Bolt kepala heksalobular dengan bebibir kecilBolt kepala heksalobular dengan bebibir kecil
      • Bolt kepala heksalobular dengan bebibir kecilBolt kepala heksalobular dengan bebibir kecil
      • Bolt kepala heksalobular dengan bebibir kecilBolt kepala heksalobular dengan bebibir kecil

      Bolt kepala heksalobular dengan bebibir kecil

      Bolt kepala heksalobular dengan bebibir kecil digunakan secara meluas dalam industri automotif, elektronik dan aeroangkasa. Bentuk kepala istimewa dan memerlukan pemutar skru dengan bentuk yang betul untuk digunakan dengannya. Penyelesaian yang disesuaikan adalah kekuatan pengeluar Xiaoguo®. Kami boleh menyesuaikan mengikut spesifikasi yang disediakan.
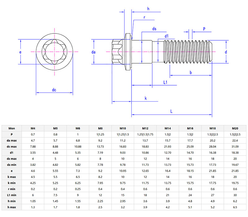
      Model:DIN 34800-2005

      Hantar Pertanyaan

      Penerangan Produk

      Bolt kepala hexalobular dengan bebibir kecil datang dalam pelbagai saiz. Anda boleh mendapatkan M2 yang sangat kecil untuk elektronik dan M24 besar untuk jentera perindustrian yang berat. Panjang standard biasanya pergi dari 5mm hingga 200mm. Saiz pemacu, seperti T10 atau T25, ditubuhkan untuk memadankan berapa banyak daya berpusing yang anda perlukan. Terdapat kedua -dua padang benang halus dan kasar, yang berfungsi lebih baik untuk pelbagai jenis bahan. Jika anda mempunyai projek khas, anda juga boleh mendapatkan saiz khas. Skru ini mengikuti piawaian antarabangsa, jadi mereka bekerja dengan alat di seluruh dunia. Itulah sebabnya mereka adalah orang pengikat yang percaya di mana -mana.

      Pemilihan bahan

      Bolt kepala hexalobular dengan bebibir kecil datang dalam banyak bahan yang berbeza. Berikut adalah yang biasa:

      Keluli tahan karat: Ini bagus untuk menjaga karat, seperti gred 304 atau 316.

      Keluli aloi: Selepas pemanasan dan pemprosesan, kekuatan akan menjadi lebih tinggi, seperti 8.8 atau 12.9.

      Titanium: ringan dan tidak mudah untuk berkarat.

      Tembaga: Penampilan yang tidak magnet, cantik, sesuai untuk menyambung ke hiasan.

      Aluminium: Bahan ringan.

      Kami memilih setiap bahan bergantung kepada apa yang alam sekitar dan berapa banyak daya yang perlu dikendalikan. Dengan cara itu, bolt kepala heksalobular dengan kerja bebibir kecil serta mungkin untuk apa sahaja pekerjaan yang mereka maksudkan.



      Hexalobular head bolt with small flange

      Hexalobular head bolt with small flange

      Pengagihan pasaran kami

      Pasaran
      Hasil (tahun sebelumnya)
      Jumlah Hasil (%)
      Amerika Utara
      Sulit
      20
      Amerika Selatan
      Sulit
      4
      Eropah Timur
      Sulit
      24
      Asia Tenggara
      Sulit
      2
      Afrika
      Sulit
      2
      Oceania
      Sulit
      1
      Timur Tengah
      Sulit
      4
      Asia Timur
      Sulit
      13
      Eropah Barat
      Sulit
      18
      Amerika Tengah
      Sulit
      6
      Eropah Utara
      Sulit
      2
      Eropah Selatan
      Sulit
      1
      Asia Selatan
      Sulit
      4
      Pasaran Domestik
      Sulit
      5


      Teg Panas: Bolt kepala heksalobular dengan flange kecil, China, pengilang, pembekal, kilang
      Kategori Berkaitan
      Hantar Pertanyaan
      Sila berasa bebas untuk memberikan pertanyaan anda dalam borang di bawah. Kami akan membalas anda dalam masa 24 jam.
      X
      We use cookies to offer you a better browsing experience, analyze site traffic and personalize content. By using this site, you agree to our use of cookies. Privacy Policy
      Reject Accept