Rumah > Produk > Kacang > Skru Tangan Nat > Tombol Bulat Dengan Nat Gelek Kolar
        Tombol Bulat Dengan Nat Gelek Kolar
        • Tombol Bulat Dengan Nat Gelek KolarTombol Bulat Dengan Nat Gelek Kolar
        • Tombol Bulat Dengan Nat Gelek KolarTombol Bulat Dengan Nat Gelek Kolar

        Tombol Bulat Dengan Nat Gelek Kolar

        Untuk gerakan linear ketepatan, pilih Tombol Bulat termaju XIAO GUO dengan Nat Gelek Kolar. Direka untuk skru bebola, ia memastikan pergerakan yang lancar dan berkecekapan tinggi, menjadikan kami sebagai pembekal China Round Knobs dengan Collar Rolling Nut untuk sistem CNC dan automasi yang dipercayai.

        Hantar Pertanyaan

        Penerangan Produk

        Mula-mula, tebuk lubang pada kepingan logam yang sepadan dengan Tombol Bulat dengan saiz Collar Rolling Nut. Jangan buat lubang terlalu besar—jika tidak, ia tidak akan terkunci dengan betul. Bersihkan sebarang serpihan logam yang tertinggal di dalam lubang; mereka mungkin menghalang pemasangan.

        Kemudian letakkan kacang ke dalam lubang yang telah digerudi, pastikan ia terletak rata pada helaian. Gunakan alat penekan standard dengan dadu yang sesuai dengan bahagian atas kacang. Sapukan tekanan yang mantap dan sekata pada alat—anda akan merasakan sedikit "klik" apabila alat itu terkunci di tempatnya. Tahan tekanan selama 1-2 saat untuk memastikan ia selamat.

        Elakkan menggunakan pukulan tukul; ini boleh melenturkan nat atau merosakkan kepingan logam. Ia berfungsi paling baik pada kepingan logam nipis hingga sederhana (tebal 0.5-2mm). Setelah dipasang, anda boleh mengetatkan bolt dengan lancar tanpa nat berputar. Tombol Bulat dengan Collar Rolling Nut mudah digunakan walaupun untuk pemula, tiada kemahiran rumit diperlukan.

        Pembungkusan Produk

        Kami menggunakan pembungkusan yang ringkas dan praktikal untuk memastikan kacang selamat. Untuk pesanan kecil atau sampel, ia dibungkus dalam beg plastik jernih—biasanya 100 atau 200 keping setiap beg. Setiap beg mempunyai label asas dengan saiz, bahan dan nombor kelompok, jadi anda boleh mencari perkara yang anda perlukan dengan mudah.

        Pesanan pukal masuk ke dalam karton yang kukuh. Bergantung pada saiz kacang, setiap karton memegang 5000 hingga 10000 keping. Kami meletakkan buih atau bungkus gelembung di dalamnya untuk menghalangnya daripada menggaru atau bergerak semasa penghantaran. Karton mempunyai tanda yang jelas untuk dikendalikan, seperti "terus kering" atau "tiada menyusun barang berat."

        Jika anda memerlukan pembungkusan tersuai—seperti logo anda pada beg atau kuantiti tertentu bagi setiap pek—hanya beritahu kami semasa membuat pesanan. Tiada barangan tambahan yang mewah, hanya yang berfungsi untuk penyimpanan dan penghantaran. Ia datang dalam pilihan standard ini, yang sesuai dengan kebanyakan bengkel kecil, kilang besar atau keperluan pengguna DIY.

        Round Knobs With Collar Rolling Nut

        Sesi Soal Jawab

        Apakah ketebalan kepingan logam yang sesuai untuk Tombol Bulat dengan Nat Gelek Kolar?  

        J: Ia berfungsi paling baik pada kepingan logam nipis hingga sederhana, dengan julat ketebalan 0.5mm hingga 2.5mm. Logam yang terlalu tebal tidak akan membiarkannya terkunci dengan betul, dan terlalu nipis boleh berubah bentuk semasa pemasangan. Bahan biasa seperti keluli canai sejuk, aluminium dan kepingan keluli tahan karat semuanya baik-baik saja. Cuma pastikan saiz lubang pra-gerudi sepadan dengan diameter luar nat—kami boleh menyediakan carta saiz jika anda memerlukannya untuk rujukan.  

        Round Knobs With Collar Rolling Nut

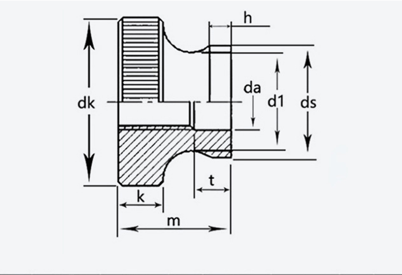
        saiz Pitch Diameter luar Ketinggian k ds da d1 T h
        maks min maks min maks min maks min maks
        M3 0.5  11  10.7  6.64  2.8  5.7  3.5  3.2  5.2  1.2 
        M4 0.7  12  11.7  7.64  7.64  4.5  4.2  6.4  2.5  1.5 
        M5 0.8  16  15.7  10  96.6  10  9.64  5.5  5.5 
        M6 20  19.7  12  11.6  12  11.6  6.56  6.2  11  2.5 
        M8 1.25  24  23.7  16  15.6  16  15.6  8.86  8.5  13 
        M10 1.5 30 29.7 20 19.5 8 20 19.5 10.9 10.5 17.2 6.5 3.8
        Teg Panas: Tombol Bulat Dengan Nat Gulung Kolar, China, Pengilang, Pembekal, Kilang
        Kategori Berkaitan
        Hantar Pertanyaan
        Sila berasa bebas untuk memberikan pertanyaan anda dalam borang di bawah. Kami akan membalas anda dalam masa 24 jam.
        X
        Kami menggunakan kuki untuk menawarkan anda pengalaman menyemak imbas yang lebih baik, menganalisis trafik tapak dan memperibadikan kandungan. Dengan menggunakan tapak ini, anda bersetuju dengan penggunaan kuki kami. Dasar Privasi
        Tolak Terima