Bolt pengembangan diri sendiri terdiri daripada skru, tiub pengembangan, kacang dan bahagian lain. Semasa pemasangan, dengan mengetatkan kacang, skru akan memacu tiub pengembangan untuk berkembang di dalam lubang bor, dengan itu dengan tegas membetulkannya ke dinding atau permukaan asas yang lain.
	
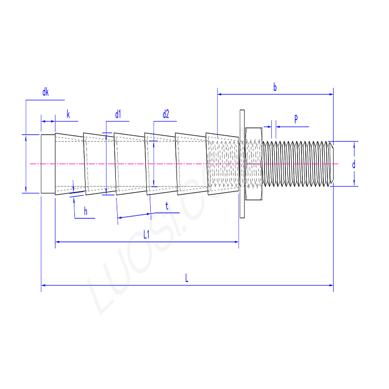
| Mon | M6 | M8 | M10 | M12 | M16 | M20 | M22 | M24 | 
| P | 1 | 1.25 | 1.5 | 1.75 | 2 | 2.5 | 2.5 | 3 | 
| DK Max | 10 | 12 | 14 | 16 | 20 | 24 | 26 | 28 | 
| DK min | 9 | 11 | 13 | 15 | 19 | 23 | 25 | 27 | 
| L1 | 45 | 60 | 70 | 75 | 100 | 125 | 150 | 180 | 
| k | 5 | 5 | 5 | 5 | 5 | 5 | 5 | 5 | 
| D1 | 9.8 | 11.8 | 13.8 | 15.8 | 19.8 | 23.8 | 25.8 | 27.8 | 
| D2 | 6.2 | 8.2 | 10.2 | 12.2 | 16.2 | 20.2 | 22.2 | 24.2 | 
| h | 0.6 | 0.8 | 0.8 | 0.8 | 0.9 | 1 | 1 | 1.2 | 
| t | 10 | 12 | 12 | 14 | 14 | 16 | 16 | 20 | 
| L | 65 | 85 | 100 | 110 | 150 | 200 | 250 | 300 | 
	
Bolt pengembangan diri boleh tegas dapat menambat objek dalam struktur konkrit atau batu. Anda hanya perlu menggerudi lubang, masukkan bolt dan kemudian ketatkan kacang. Apabila diperketatkan, bolt itu sendiri akan berkembang di dalam lubang. Ia biasanya dibentuk dengan menarik kerucut ke dalam lengan, dengan itu membuat kunci mekanikal yang kukuh dan tegas membetulkannya ke dinding.
	
Memasang bolt pengembangan diri adalah sangat mudah: lubang gerudi saiz yang betul, keluarkan habuk, mengetuk bolt dengan tukul, dan kemudian ketatkan kacang dengan sepana. Semasa proses pengetatan, mekanisme pengembangan terpaksa membuka dan memahami dengan tegas bahan asas. Ini adalah proses "memasang dan mengetatkan" langsung yang dapat mencapai penetapan yang kukuh.
	
Sebagai contoh, selesaikan pendakap ke dinding konkrit, selesaikan pangkalan mekanikal ke lantai, selesaikan tangan atau selesaikan lajur ke yayasan. Mereka sangat sesuai untuk operasi sederhana hingga berat dalam konkrit, batu bata atau blok yang kukuh, di mana anda perlu menambah titik sauh yang kuat dan boleh dilepaskan selepas asas dibina.
	
Bolt pengembangan diri yang berlabuh mempunyai kesesuaian yang kuat. Ia mempunyai kesesuaian yang kuat untuk pesawat asas yang berbeza. Sama ada dinding konkrit, dinding bata atau struktur kayu, selagi lubang yang sesuai digerudi, ia boleh memainkan peranan yang sangat baik. Selain itu, ia datang dalam spesifikasi yang berbeza. Mengikut keperluan pemasangan sebenar dan keadaan permukaan asas, saiz yang sesuai boleh dipilih untuk memenuhi pelbagai senario pemasangan.
	