Rumah > Produk > Bolt > Bolt Kepala Persegi > Bolt kepala countersunk persegi
      Bolt kepala countersunk persegi
      • Bolt kepala countersunk persegiBolt kepala countersunk persegi
      • Bolt kepala countersunk persegiBolt kepala countersunk persegi

      Bolt kepala countersunk persegi

      Bolt kepala countersunk persegi boleh membenarkan kepala bolt tenggelam ke permukaan pemasangan, memastikan permukaan yang licin dan indah sambil mengelakkan protrusions dan benjolan, menjadikannya sesuai untuk kesempatan yang memerlukan penampilan dan keselamatan. Jika anda memerlukan permukaan rata, anda boleh memilih Xiaoguo® bolt ini. Kepala countersunk membolehkan bolt mematuhi lancar ke permukaan. Kami menghasilkan bolt pelbagai saiz dan mereka berada dalam stok. Anda boleh menghubungi kami pada bila -bila masa untuk pertanyaan.
      Model:MS 9397-2000

      Hantar Pertanyaan

      Penerangan Produk

      Kepala aBolt kepala countersunk persegiadalah persegi dan mempunyai serong yang boleh tenggelam sepenuhnya ke dalam lubang countersunk bahan yang ia bergabung. Dengan cara ini, kepala bolt tidak akan menonjol dan permukaannya akan menjadi lebih rata. Jika anda mengejar kecantikan, anda boleh memilihnya.


      Maklumat dan parameter produk

      Anda boleh menggunakanbolt kepala countersunk persegidalam industri pembuatan perabot. Mereka boleh digunakan untuk membuat tablet, pintu kabinet, dan lain -lain. Mereka boleh menyembunyikan skru. Selepas diperketatkan, permukaannya licin dan tidak menjejaskan penampilan keseluruhan perabot. Mereka juga tidak merasa tidak selesa apabila disentuh.


      Perengkuh bolt mempunyai kawasan hubungan yang besar dan kurang berkemungkinan untuk keluar apabila diperketatkan, menjadikannya lebih mudah untuk beroperasi daripada bolt kepala bulat. Malah mereka yang mempunyai sedikit kekuatan dapat mengetatkan bolt. Lubang countersunk perlu digerudi dalam bahan sebelum pemasangan. Selepasbolt kepala countersunk persegidiskru, kepala dimasukkan sepenuhnya ke dalam lubang dan siram dengan permukaan bahan. Dengan cara ini, sama ada ia dipasang pada satah atau permukaan melengkung, ia tidak akan menjejaskan kebosanan keseluruhan.


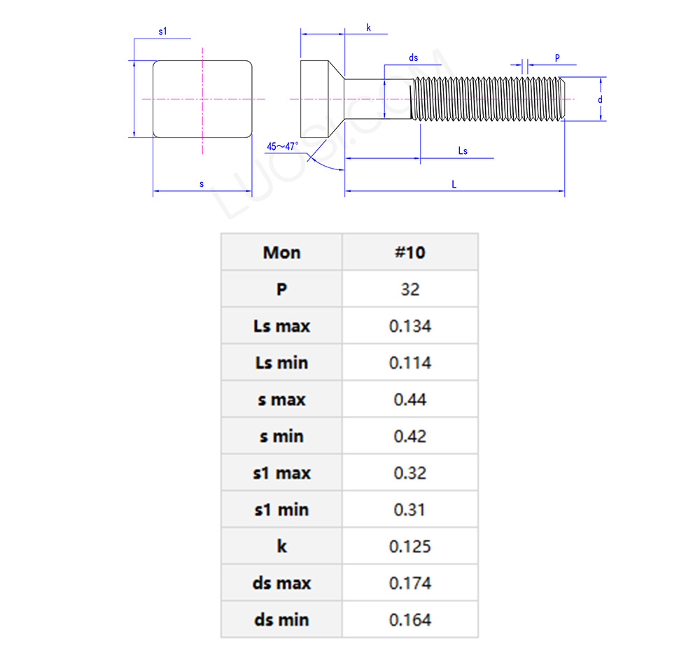
      Square countersunk head bolt parameters

      Titik jualan produk

      Thebolt kepala countersunk persegidicirikan dengan bebas ruang dan tersembunyi. Selepas pemasangan, kepala bolt disiram dengan permukaan bahan dan tidak akan menjadi boneka seperti bolt biasa. Ia tidak menjejaskan penampilan atau menggaru perkara lain. Mereka mudah dipasang dan tidak tergelincir dengan mudah semasa pemasangan, menjadikannya sangat praktikal.


      Teg Panas: Square Countersunk Head Bolt, China, Pengilang, Pembekal, Kilang
      Kategori Berkaitan
      Hantar Pertanyaan
      Sila berasa bebas untuk memberikan pertanyaan anda dalam borang di bawah. Kami akan membalas anda dalam masa 24 jam.
      X
      We use cookies to offer you a better browsing experience, analyze site traffic and personalize content. By using this site, you agree to our use of cookies. Privacy Policy
      Reject Accept