Rumah > Produk > Bolt > T-bolt > T kepala skru jangkar
        T kepala skru jangkar
        • T kepala skru jangkarT kepala skru jangkar
        • T kepala skru jangkarT kepala skru jangkar
        • T kepala skru jangkarT kepala skru jangkar

        T kepala skru jangkar

        Anda boleh menyemak skru jangkar kepala T berkualiti tinggi yang dihasilkan oleh Xiaoguo® Company pada bila-bila masa. Kepala berbentuk T menjadikannya mudah dipasang ke dalam alur berlabuh. Kami boleh menawarkan pelbagai saiz untuk dipilih. Selalu akan ada skru yang sesuai dengan anda.
        Model:CNS 4947-1979

        Hantar Pertanyaan

        Penerangan Produk

        T kepala skru utama adalah pengikat yang digunakan untuk penetapan sauh, kepala berbentuk T menjadikannya mudah dipasang ke dalam alur berlabuh.Xiaoguo®Boleh menawarkan pelbagai saiz untuk dipilih. Selalu akan ada skru yang sesuai dengan anda.

        Kepala skru utama T adalah dalam bentuk T, yang mudah untuk diapit di alur berbentuk T yang sepadan untuk mengelakkannya daripada berputar bersama apabila diperketatkan. Ekor skru direka khas untuk ditetapkan dengan tegas di pangkalan seperti sauh.

        Pemasangan dan aplikasi:

        Skru sauh ini boleh digunakan untuk menetapkan trek pintu tinggi. Mereka dipasang lebih cepat daripada bolt. Luncurkan mereka ke dalam alur keluli yang tinggi tanpa sebarang alat penetapan. Apabila memasang gudang, ia boleh diperketatkan dengan satu tangan dan seimbang dengan bantuan tangga. Mereka digunakan untuk memperbaiki trek berat.

        T kepala skru utama boleh digunakan sebagai sokongan paip untuk HVAC. Menggantung paip pada konkrit boleh menyelamatkan mereka beberapa jam. Masukkannya ke Unistrut dan ketik ke dalam siling dengan pemutar skru kesan. Tiada lubang panduan diperlukan. Seorang pekerja boleh melengkapkan pemasangan dua sauh berbentuk baji.

        Skru ini digunakan untuk membetulkan bingkai penghantar perlombongan. Mereka digunakan untuk penetapan bolt bingkai kukuh bawah tanah dan boleh menahan habuk. Hammer kepala berbentuk T ke saluran melengkung; Benang dapat memahami keluli berkarat. Kakitangan mengubah komponen dalam peralihan setiap 15 minit.

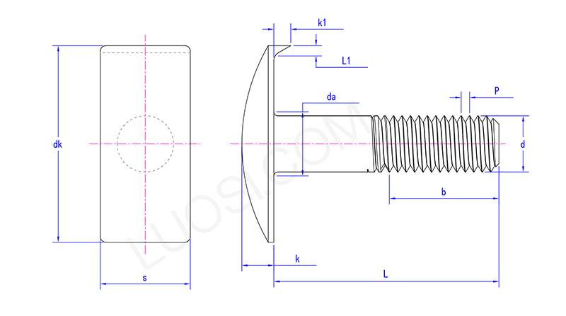
        Parameter:

        Mon M12
        P 1.75
        k 7
        k1 5
        L1 3
        Ya max 15.2
        DK 55
        s 20

        Titik Jualan Produk:

        Skru utama T sangat stabil dalam penetapan dan mudah dipasang. Ia mempunyai dua ciri utama: kepala berbentuk T dan fungsi berlabuh. Apabila memasang, ia boleh dimasukkan secara langsung ke dalam t-slot tanpa memerlukan pelarasan kedudukan berulang. Struktur berlabuh menjadikannya lebih ketat dan lebih ketat di pangkalan dan menghalangnya daripada melonggarkan. Dan tiada alat profesional yang kompleks diperlukan. Di samping itu, ia mempunyai pelbagai aplikasi dan boleh digunakan dalam banyak industri dan senario.



        Teg Panas: T kepala skru utama, China, pengilang, pembekal, kilang
        Kategori Berkaitan
        Hantar Pertanyaan
        Sila berasa bebas untuk memberikan pertanyaan anda dalam borang di bawah. Kami akan membalas anda dalam masa 24 jam.
        X
        Kami menggunakan kuki untuk menawarkan anda pengalaman menyemak imbas yang lebih baik, menganalisis trafik tapak dan memperibadikan kandungan. Dengan menggunakan tapak ini, anda bersetuju dengan penggunaan kuki kami. Dasar Privasi
        Tolak Terima