Rumah > Produk > Skru > Skru lain > Skru Bebibir 12 Mata Dengan Batang Terkurang
        Skru Bebibir 12 Mata Dengan Batang Terkurang
        • Skru Bebibir 12 Mata Dengan Batang TerkurangSkru Bebibir 12 Mata Dengan Batang Terkurang
        • Skru Bebibir 12 Mata Dengan Batang TerkurangSkru Bebibir 12 Mata Dengan Batang Terkurang
        • Skru Bebibir 12 Mata Dengan Batang TerkurangSkru Bebibir 12 Mata Dengan Batang Terkurang

        Skru Bebibir 12 Mata Dengan Batang Terkurang

        Skru bebibir 12 mata dengan batang yang dikurangkan sangat sesuai untuk aplikasi yang memerlukan penetapan yang kukuh tetapi juga ingin mengurangkan ketebalan bahan. Anda boleh mengawal tork dengan lebih baik, supaya ia tidak tergelincir apabila mengetatkan. Syarikat Xiaoguo® menawarkan penyelesaian praktikal.

        Hantar Pertanyaan

        Penerangan Produk

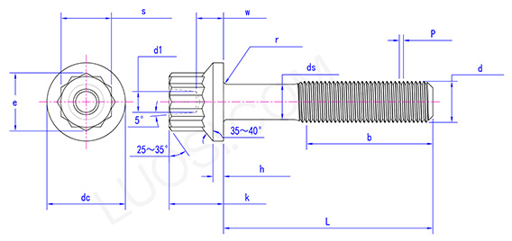
        Skru bebibir 12 mata dengan batang kecil kepala mempunyai 12 bucu. Plat bebibir di bawah adalah seperti gasket, meningkatkan kawasan sentuhan dengan bahan yang disambungkan. Bahagian rod nipis di tengah adalah diameter yang lebih kecil berbanding rod skru biasa dan digunakan dalam beberapa senario tertentu.

        Parameter produk

        isn #10
        P 32
        d1 0.1
        dc 0.375
        ds maks 0.171
        ds min 0.161
        e 0.278
        h maks 0.05
        h min 0.04
        k 0.26
        r min 0.015
        r maks 0.025
        s maks 0.251
        s min 0.243
        w 0.13

        Ciri-ciri

        Skru bebibir kepala 12 mata ini boleh digunakan untuk pemasangan pam hidraulik. Pam tekanan tinggi mungkin bergegar, menyebabkan bolt pemasangan longgar. Reka bentuk pemegangnya yang pendek boleh menyerap getaran leher. Pengedap bebibir boleh menghalang kebocoran minyak dan tidak memerlukan gasket yang berasingan. Baut standard akan pecah dalam masa beberapa bulan, manakala bolt ini boleh menahan lebih daripada 10,000 jam operasi.

        Skru bebibir 12 mata dengan batang kecil boleh digunakan untuk sambungan manifold ekzos. Pancarongga turbin mungkin retak pada lubang bolt akibat tekanan haba. Mereka boleh menyelesaikan masalah ini. Batang skru boleh dibengkokkan semasa kitaran haba pada 800°C untuk mengelakkan patah tekanan. Apabila membuka, ia lebih tahan karat daripada kepala heksagon. Pastikan anda menggunakan agen anti rampasan nikel. Hayat perkhidmatannya adalah dua kali lebih lama daripada bolt biasa.

        Skru bebibir kepala 12 mata ini boleh mengurangkan berat badan. Bahagian yang lebih sempit di bawah benang boleh mengurangkan kehilangan bahan tanpa mengorbankan kekuatan. Ia amat sesuai untuk aplikasi sensitif berat seperti panel pesawat atau kereta lumba. Bebibir masih boleh digunakan sebagai gasket terbina dalam.

        Kelebihan

        Skru bebibir kepala 12 mata dengan batang yang dikurangkan mempunyai daya pengikat yang kuat. Ia boleh menahan tork yang besar apabila diketatkan. Dengan plat bebibir meningkatkan geseran, ia juga amat sukar untuk dilonggarkan dalam persekitaran yang bergetar. Ia telah mengurangkan bahaya keselamatan dan kegagalan peralatan yang disebabkan oleh longgar. Lebih-lebih lagi, semasa pemasangan, reka bentuk rod nipis membolehkannya melepasi bahan yang lebih nipis atau lubang kecil dengan lebih mudah tanpa memerlukan reaming yang susah payah. Ia mudah dikendalikan dan menjimatkan masa dan tenaga kerja.

        12 Point Flange Screw With Reduced Shank

        Teg Panas: Skru Bebibir 12 Mata Dengan Batang Terkurang, China, Pengilang, Pembekal, Kilang
        Kategori Berkaitan
        Hantar Pertanyaan
        Sila berasa bebas untuk memberikan pertanyaan anda dalam borang di bawah. Kami akan membalas anda dalam masa 24 jam.
        X
        Kami menggunakan kuki untuk menawarkan anda pengalaman menyemak imbas yang lebih baik, menganalisis trafik tapak dan memperibadikan kandungan. Dengan menggunakan tapak ini, anda bersetuju dengan penggunaan kuki kami. Dasar Privasi
        Tolak Terima