Rumah > Produk > Kacang kimpalan > Skru kimpalan > Skru Kimpal Unjuran Bawah
        Skru Kimpal Unjuran Bawah
        • Skru Kimpal Unjuran BawahSkru Kimpal Unjuran Bawah
        • Skru Kimpal Unjuran BawahSkru Kimpal Unjuran Bawah
        • Skru Kimpal Unjuran BawahSkru Kimpal Unjuran Bawah

        Skru Kimpal Unjuran Bawah

        Skru kimpal unjuran bawah boleh dikimpal dengan kukuh pada permukaan logam. Ia mempunyai benang di bahagian atas dan boleh digunakan untuk menyambung bahagian. Ia sesuai untuk jentera berat, struktur keluli atau peralatan perindustrian yang memerlukan penetapan yang kukuh dan kekal. Syarikat Xiaoguo® menawarkan pilihan praktikal.
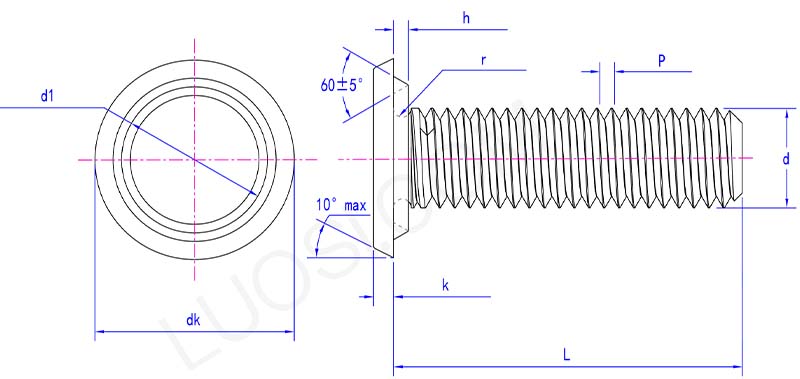
        Model:QC/T 598-1999

        Hantar Pertanyaan

        Penerangan Produk

        Kepala skru kimpalan unjuran bawah berbentuk bulat dan mempunyai mata kimpalan kecil. Skru berbentuk silinder dan permukaannya diukir dengan benang biasa dan halus. Mereka datang dalam pelbagai saiz untuk dipilih.

        Aplikasi

        Skru kimpal unjuran digunakan dalam hiasan bangunan. Dalam hiasan dalaman, bolt ini digunakan untuk membaiki pintu dan tingkap, panel hiasan, gelegar siling dan komponen lain; dalam beberapa bahagian sambungan kecil bangunan struktur keluli, ia juga boleh digunakan untuk sambungan. Mereka sangat mudah.

        bottom projection weld screws parameter

        isn
        M4 M5 M6 M8 M10 M12
        P
        0.7 0.8 1 1.25 1.5 1.75
        dk maks
        11.5 12.5 14.5 19 21 24
        dk min
        11.23 12.23 14.23 18.67 20.67 23.67
        k maks
        2 2.5 2.5 3.5 4 5
        k min
        1.75 2.25 2.25 3.25 3.75 4.75
        r min
        0.2 0.2 0.3 0.3 0.4 0.4
        d1 maks
        8.75 9.75 10.75 14.25 16.25 18.75
        d1 min
        8.5 9.5 10.5 14 16 18.5
        h maks
        1.25 1.25 1.25 1.45 1.45 1.65
        h min
        0.9 0.9 0.9 1.1 1.1 1.3

        Skru kimpal unjuran bawah juga digunakan dalam industri pembuatan mekanikal. Ia boleh digunakan untuk pemasangan am peralatan mekanikal, seperti penyambungan komponen dalam mesin dan instrumen kecil, memastikan setiap bahagian jentera kekal dalam kedudukan tetap semasa operasi dan beroperasi dengan stabil.

        Skru kimpal unjuran ini digunakan dalam pemasangan peranti elektronik. Untuk sambungan beberapa selongsong peranti elektronik dan sokongan dalaman yang mempunyai keperluan tinggi untuk penampilan dan memerlukan kekuatan pengetatan tertentu, bolt jenis ini agak sesuai. Ia memastikan sambungan yang stabil tanpa menjejaskan penampilan peralatan.

        Ciri Produk

        Skru kimpalan unjuran bawah mempunyai permukaan yang agak licin selepas pemasangan, menjadikannya kurang berkemungkinan mencalar orang atau objek lain. Titik kimpalan pada kepala boleh digunakan untuk pra-kimpalanbolt itukepada komponen tertentu, memudahkan pemasangan berikutnya. Ketepatan benang adalah tinggi, membolehkannya terlibat rapat dengan nat padanan, memberikan kesan pengikat yang boleh dipercayai, dan mengekalkan prestasi sambungan yang baik walaupun selepas beberapa pembongkaran dan pemasangan semula.


        Teg Panas: Skru Kimpal Unjuran Bawah, China, Pengilang, Pembekal, Kilang
        Kategori Berkaitan
        Hantar Pertanyaan
        Sila berasa bebas untuk memberikan pertanyaan anda dalam borang di bawah. Kami akan membalas anda dalam masa 24 jam.
        X
        Kami menggunakan kuki untuk menawarkan anda pengalaman menyemak imbas yang lebih baik, menganalisis trafik tapak dan memperibadikan kandungan. Dengan menggunakan tapak ini, anda bersetuju dengan penggunaan kuki kami. Dasar Privasi
        Tolak Terima