Rumah > Produk > Skru > Skru lain > Skru Spring Tawanan
        Skru Spring Tawanan
        • Skru Spring TawananSkru Spring Tawanan
        • Skru Spring TawananSkru Spring Tawanan
        • Skru Spring TawananSkru Spring Tawanan
        • Skru Spring TawananSkru Spring Tawanan
        • Skru Spring TawananSkru Spring Tawanan

        Skru Spring Tawanan

        Skru spring tawanan ialah skru longgar, tidak boleh ditanggalkan yang dipasang dengan pemampatan atau pemukaan pengembangan untuk mencipta sambungan yang selamat. Xiaoguo® ialah pengeluar dipercayai yang menawarkan saiz pengikat standard dan juga boleh menghasilkan saiz tersuai.

        Hantar Pertanyaan

        Penerangan Produk

        Kemenangan terbesar dengan skru spring captive ialah mereka mengekalkan sendi ketat. Ini bermakna lebih sedikit kegagalan, peralatan yang lebih selamat, kurang masa henti membetulkan perkara dan produk yang berfungsi lebih baik untuk lebih lama.


        Skru ini memakan getaran dan mengendalikan perubahan haba atau peralihan bahan, perkara yang melonggarkan skru biasa. Ia juga memudahkan pemasangan kerana anda sering melangkau mesin basuh kunci atau pengunci benang, mengurangkan senarai alat ganti anda. Skru spring anti-longgar boleh digunakan untuk tugas pengikat yang sukar.


        Skru spring tawanan menggabungkan cengkaman skru dengan keupayaan menahan ketegangan spring. Diperbuat daripada bahan yang sukar, tersedia dalam banyak saiz/spesifikasi, dan selalunya dengan salutan untuk melawan karat, ia kukuh untuk menghalang getaran yang longgar dan keletihan logam.

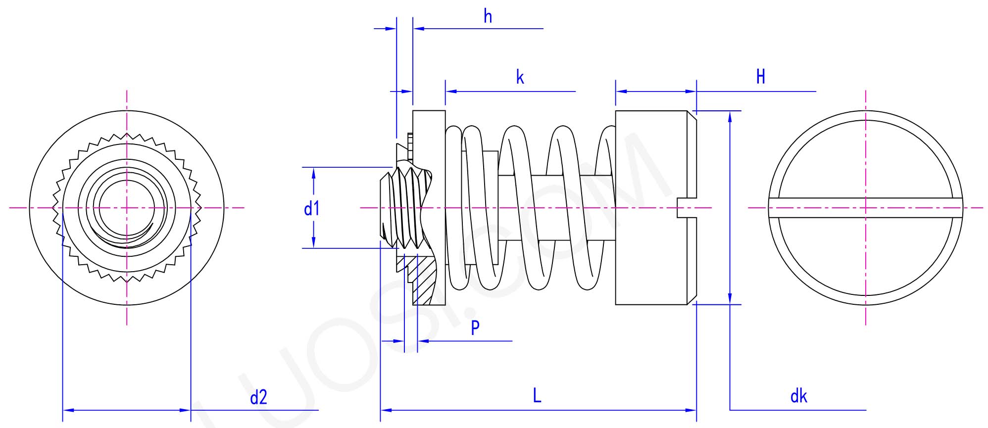
        Parameter produk

        isn 440 632 832 032 0420
        P 40 32 32 32 20
        d1 #4 #6 #8 #10 1/4
        d2 maks 0.202 0.218 0.249 0.311 0.374
        dk maks 0.416 0.448 0.478 0.54 0.635
        dk min 0.396 0.428 0.458 0.52 0.615
        h maks 0.058 0.058 0.058 0.058 0.058
        k maks 0.128 0.128 0.128 0.12 0.148
        k min 0.118 0.118 0.118 0.11 0.138
        H maks 0.207 0.207 0.212 0.225 0.247
        H min 0.197 0.197 0.202 0.237 0.237

        Anda akan menemuinya di dalam kapal terbang, kereta, kilang dan alat, di mana-mana bahagian yang perlu kekal terkunci dalam persekitaran yang kasar. Itu memberitahu anda bahawa mereka adalah kunci untuk memastikan perkara itu selamat, selamat dan tahan lama. Skru spring adalah penyelesaian praktikal untuk peralatan moden yang tidak dapat menahan getaran yang teruk.

        Captive Spring Screw

        Pakej

        S: Bagaimanakah bungkusan itu akan dibungkus untuk mengelakkan kerosakan semasa penghantaran antarabangsa?

        J: Kami membungkus skru spring tawanan untuk tiba dengan selamat. Biasanya, kami meletakkannya dalam bentuk pukal dalam beg plastik tertutup di dalam kotak kadbod. Kadangkala kami melemparkan pembahagi atau padding untuk mengelakkan kusut atau calar semasa penghantaran.


        Pesanan yang lebih besar datang pada gelendong atau gulungan plastik tersuai. Walau apa pun, pembungkusan kami tahan lama, kalis lembapan dan tahan kejutan, menghalang kerosakan semasa transit.

        Teg Panas: Skru Spring Tawanan, China, Pengilang, Pembekal, Kilang
        Kategori Berkaitan
        Hantar Pertanyaan
        Sila berasa bebas untuk memberikan pertanyaan anda dalam borang di bawah. Kami akan membalas anda dalam masa 24 jam.
        X
        Kami menggunakan kuki untuk menawarkan anda pengalaman menyemak imbas yang lebih baik, menganalisis trafik tapak dan memperibadikan kandungan. Dengan menggunakan tapak ini, anda bersetuju dengan penggunaan kuki kami. Dasar Privasi
        Tolak Terima