Rumah > Produk > Kacang > Kacang Bulat > Nat Bulat Pengunci Berslot Dua Bercagar
        Nat Bulat Pengunci Berslot Dua Bercagar
        • Nat Bulat Pengunci Berslot Dua BercagarNat Bulat Pengunci Berslot Dua Bercagar
        • Nat Bulat Pengunci Berslot Dua BercagarNat Bulat Pengunci Berslot Dua Bercagar
        • Nat Bulat Pengunci Berslot Dua BercagarNat Bulat Pengunci Berslot Dua Bercagar
        • Nat Bulat Pengunci Berslot Dua BercagarNat Bulat Pengunci Berslot Dua Bercagar
        • Nat Bulat Pengunci Berslot Dua BercagarNat Bulat Pengunci Berslot Dua Bercagar

        Nat Bulat Pengunci Berslot Dua Bercagar

        Double Secured Slotted Locking Round Nut ialah produk oleh Xiaoguo®, yang, dengan lebih dua dekad pengalaman, telah menjadi pengeluar dan pengeksport utama pengikat ketepatan ke pasaran global. Lazimnya dihasilkan daripada keluli keras atau keluli tahan karat, nat ini direka untuk menahan tegasan ricih dan tegangan yang ketara.

        Hantar Pertanyaan

        Penerangan Produk

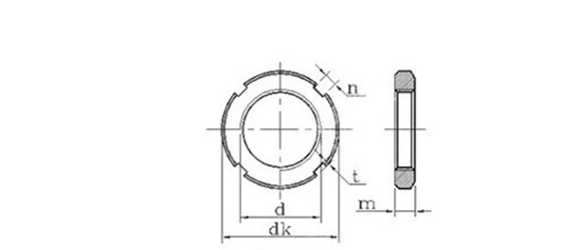
        Nat Bulat Pengunci Berslot Berslot Berganda ini merupakan komponen penting dalam pemasangan automotif - terutamanya untuk membaiki galas gandar roda dan sistem gandar, berupaya menahan getaran adalah kunci. Ia menampilkan reka bentuk bulat dengan bebibir di bahagian dalam, dan komponen pengunci dalaman dan alur jejari, yang boleh membetulkan dirinya dengan kukuh dalam kedudukan yang ditetapkan.

        Kami menghasilkan kacang ini dalam kuantiti yang banyak menggunakan mesin automatik, jadi harga kami sangat kompetitif. Jika anda menempah lebih daripada 10,000 unit, anda boleh menikmati diskaun 5%. Mereka biasanya mempunyai rawatan permukaan salutan zink yang terang, dan kami menyediakan penghantaran cepat melalui penghantaran ekspres.

        Untuk memastikan keselamatan pengangkutan, kami menyediakan perlindungan berganda untuk produk kami: pertama, ia dimeterai dalam beg plastik yang kukuh untuk mengelakkan kelembapan dan kakisan, dan kemudian dibungkus dalam karton yang kukuh untuk menahan kesan fizikal dan kerosakan semasa pengangkutan dengan berkesan.

        Butiran Produk

        Dalam bidang aeroangkasa, Nat Bulat Pengunci Berslot Berslot Berganda mestilah tepat dan boleh dipercayai - tanpa pengecualian. Ia biasanya digunakan dalam komponen seperti tempat duduk pemasangan enjin dan peranti pautan kawalan penerbangan. Kacang ini biasanya diperbuat daripada aloi gred tinggi, dalam bentuk bulat yang licin, dan mempunyai slot yang dimesin dengan tepat untuk pendawaian yang mudah dan selamat.

        Walaupun kualiti unggul, harga kami kekal kompetitif. Sekiranya kuantiti pesanan anda melebihi 50,000 keping, anda akan layak mendapat diskaun yang besar. Rawatan permukaan biasa termasuk keluli tahan karat pasif atau penyaduran kadmium. Kami telah menjalin kerjasama yang mendalam dengan syarikat logistik profesional dan menyediakan perkhidmatan pengangkutan yang cekap dan selamat untuk produk melalui rangkaian logistik yang matang untuk memastikan penghantarannya lancar ke semua bahagian dunia. Semua pembungkusan direka untuk kalis air dan kalis gangguan.

        Soalan Lazim

        S: Apakah fungsi dan penggunaan utama nat bulat pengunci berlubang?

        J: Nat Bulat Pengunci Berslot Berslot Berganda direka untuk mengunci dengan selamat pada komponen berulir sambil membolehkan pemeriksaan visual yang mudah. Fungsi utama nat bulat pengunci Berslot Berganda Berslot ini adalah untuk mengelakkan longgar di bawah getaran dalam pemasangan seperti aci berputar, gandar dan jentera ketepatan. Bentuk bulatnya dengan slot membolehkan pemasukan cotter pin atau wayar keselamatan, menjadikan nat bulat pengunci Double-Secured Slotted penting untuk aplikasi kritikal keselamatan merentas sektor automotif dan perindustrian.

        Double Secured Slotted Locking Round Nut


        d*P
        dk m n t 1000

        kg

        d*P
        dk m n t 1000

        ≈kg
        nax nin maks min maks min nax min
        M10*1 22 8 4.3 4 2.6 2 16.82 M64*2 95 12 8.36 8 4.25 3.5 351.9
        M12*1.25 25 21.58 M65*2 95 342.4
        M14*1.5 28 26.82 M68*2 100 10.36 10 4.75 4 380.2
        M16*1.5 30 5.3 5 3.1 2.5 28.44 M72*2 105 15 518
        M18*1.5 32 31.19 M75*2 105 477.5
        M20*1.5 35 37.31 M76*2 110 562.4
        M22*1.5 38 10 54.91 M80*2 115 608.4
        M24*1.5 42 68.88 M85*2 120 640.6
        M25*1.5 42 68.88 M90*2 125 18 12.43 12 5.75 5 796.1
        M27*1.5 45 75.49 M95*2 130 834.7
        M30*1.5 48 82.11 M100*2 135 873.3
        M33*1.5 52 6.3 6 3.6 3 93.32 M105*2 140 895
        M35*1.5 52 84.99 M110*2 150 14.43 14 6.75 6 1076
        M36*1.5 55 100.3 115*2 155 22 1369
        M39*1.5 58 107.3 M120*2 160 1423
        M40*1.5 58 109.5 M125*2 165 1477
        M42*1.5 62 121.8 M130*2 170 1531
        M45*1.5 68 153.6 M140*2 180 26 1937
        M48*1.5 72 12 8.36 8 4.25 3.5 201.2 M150*2 200 16.43 16 7.9 7 2651
        M50*1.5 72 186.8 M160*3 210 2810
        M52*1.5 78 238 M170*3 220 2970
        M55*2 78 214.4 M180*3 230 30 3610
        M56*2 85 290.1 190*3 240 3794
        M60*2 90 320.3 M200*3 250 3978

        Teg Panas: Nat Bulat Pengunci Berslot Dua Bercagar
        Kategori Berkaitan
        Hantar Pertanyaan
        Sila berasa bebas untuk memberikan pertanyaan anda dalam borang di bawah. Kami akan membalas anda dalam masa 24 jam.
        X
        Kami menggunakan kuki untuk menawarkan anda pengalaman menyemak imbas yang lebih baik, menganalisis trafik tapak dan memperibadikan kandungan. Dengan menggunakan tapak ini, anda bersetuju dengan penggunaan kuki kami. Dasar Privasi
        Tolak Terima