Rumah > Produk > Kacang kimpalan > Kacang dikimpal > Kacang Kimpalan Gaya T Dengan Jenis 1A
        Kacang Kimpalan Gaya T Dengan Jenis 1A
        • Kacang Kimpalan Gaya T Dengan Jenis 1AKacang Kimpalan Gaya T Dengan Jenis 1A
        • Kacang Kimpalan Gaya T Dengan Jenis 1AKacang Kimpalan Gaya T Dengan Jenis 1A

        Kacang Kimpalan Gaya T Dengan Jenis 1A

        Nat kimpalan gaya T dengan jenis 1A direka khusus untuk mengimpal logam dan mematuhi spesifikasi 1A, memastikan kesesuaian yang ketat. Sesuai untuk bingkai logam, sokongan atau peralatan mekanikal, reka bentuk berbentuk T membantu menjimatkan ruang. Kilang Xiaoguo® mempunyai sejumlah besar barang dalam stok.Kami juga boleh menyesuaikan dan menyediakan produk yang memenuhi keperluan khusus.
        Model:JIS B1196-3.1-2001

        Hantar Pertanyaan

        Penerangan Produk

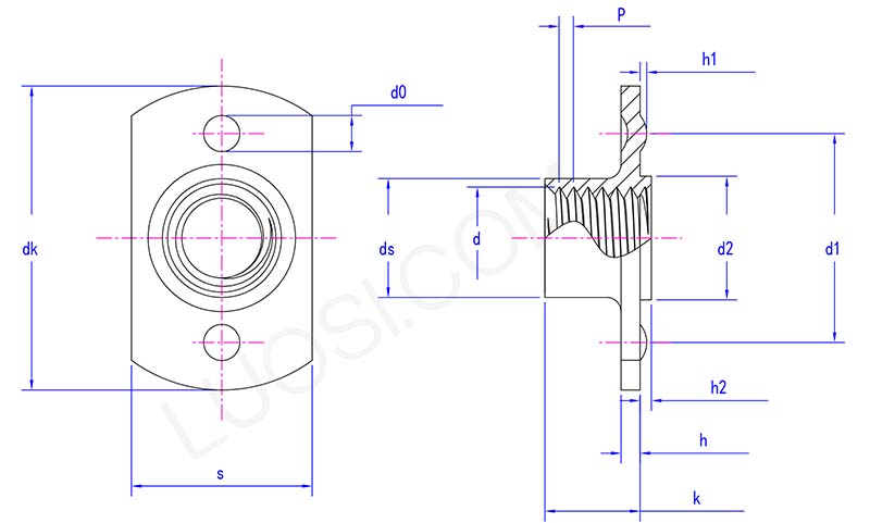
        Nat kimpalan gaya T dengan jenis 1A mempunyai bentuk yang menyerupai huruf "T", dengan bahagian silinder berulir di bahagian bawah. Terdapat beberapa tonjolan kecil pada bebibir, yang direka khusus untuk kimpalan. Spesifikasi benang biasa berkisar dari M4 hingga M12.

        Parameter produk

        T style weld nuts with type 1A parameter

        isn
        M4 M5 M6 M8 M10 M12
        P
        0.7 0.8 1 1|1.25 1.25|1.5 1.25|1.75
        dk maks
        20.5 20.5 23.7 23.7 31 33.2
        dk min
        19.5 19.5 22.3 22.3 29 30.8
        s maks
        12.25 12.25 14.3 14.3 19.4 21.5
        s min
        11.75 11.75 13.7 13.7 18.6 20.5
        ds maks
        5.9 6.7 8.3 10.2 13.2 15.2
        ds min
        5.4 6.2 7.8 9.5 12.5 14.5
        k maks
        5.9 6.9 7.5 9 10.6 11.8
        k min
        5.1 6.1 6.5 8 9.4 10.2
        h maks
        1.4 1.4 1.85 1.85 2.3 2.3
        h min
        1 1 1.35 1.35 1.7 1.7
        d2 maks
        6.9 6.9 8.9 10.9 12.9 14.9
        d2 min
        6.7
        6.7
        8.7
        10.7
        12.7
        14.7
        h2 maks
        0.8 0.8
        0.8
        0.8
        1.2 1.2
        h2 min
        0.6 0.6
        0.6
        0.6
        1 1
        d0 maks
        3.25 3.25
        3.25
        3.25
        4.05 4.05
        d0 min
        2.75 2.75
        2.75
        2.75
        3.55 3.55
        h1 maks
        0.6 0.6
        0.6
        0.6
        0.7 0.7
        h1 min
        0.4 0.4
        0.4
        0.4
        0.5
        0.5
        d1 maks
        15.2 15.2
        17.25 17.25 22.3 24.3
        d1 min
        14.8 14.8 16.75 16.75 21.7 23.7

        Ciri dan Pemasangan Produk

        Nat kimpalan gaya T dengan jenis 1A menampilkan struktur berbentuk T yang tersendiri. Bebibir boleh meningkatkan kawasan sentuhan dengan plat logam, mengedarkan tekanan, dan menjadikan kimpalan lebih selamat. Saiz dan ketinggian tonjolan kimpalan pada bebibir adalah sama, dan pemanasan adalah seragam semasa proses kimpalan. Ketepatan benangnya tinggi. Apabila bolt dimasukkan, ia berasa sangat licin tanpa sebarang kesesakan atau longgar.

        T style weld nuts with type 1A

        Nat kimpalan jenis 1A T dinamakan mengikut bentuknya: badan nat heksagon dipasang secara sipi pada plat tapak segi empat tepat (bebibir). Jenis 1A menunjukkan bahawa ia direka untuk kimpalan arka (MIG atau TIG) di sekeliling tepi bebibir. Reka bentuk bentuk 'T' membolehkan anda meletakkan lubang berulir di lokasi yang dikehendaki, walaupun berhampiran tepi di mana nat tengah tidak boleh dipasang, dan ia boleh dicapai dengan mudah.

        Memasang nat kimpalan gaya T jenis 1A bermaksud melakukan kimpalan di sepanjang pinggir bebibir segi empat tepat. Tapak kacang jenis 1A adalah rata dan tidak mempunyai lubang atau tonjolan. Anda boleh menggunakan MIG atau TIG untuk mencipta manik kimpalan berterusan di sepanjang tepi bebibir. Gabungan keseluruhan yang baik adalah penting kerana ini adalah satu-satunya cara untuk membetulkan bebibir. Sila bersihkan logam dengan teliti terlebih dahulu.

        Nat kimpalan jenis 1A T lebih mahal daripada biasakacang persegi. Anda perlu membayar untuk bentuk pemprosesan bebibir dan bahan tambahan. Ia juga mengambil masa yang lebih lama untuk dikimpal dengan betul di sekeliling bebibir. Terutama apabila kedudukan benang perlu diimbangi, gunakannya; jika tidak, kacang standard mungkin lebih murah.

        Teg Panas: Kacang Kimpalan Gaya T Dengan Jenis 1A, China, Pengilang, Pembekal, Kilang
        Kategori Berkaitan
        Hantar Pertanyaan
        Sila berasa bebas untuk memberikan pertanyaan anda dalam borang di bawah. Kami akan membalas anda dalam masa 24 jam.
        X
        Kami menggunakan kuki untuk menawarkan anda pengalaman menyemak imbas yang lebih baik, menganalisis trafik tapak dan memperibadikan kandungan. Dengan menggunakan tapak ini, anda bersetuju dengan penggunaan kuki kami. Dasar Privasi
        Tolak Terima