Bolt kimpalan unjuran kekuatan tinggi adalah jenis pengikat khas yang dibuat untuk menyambung dengan kuat dan mudah ke lembaran logam atau struktur. Ia mempunyai unjuran -biasanya cincin atau lebam kecil -di sebelah yang menyentuh logam, dan ini dibuat dengan saiz yang tepat.
Apabila anda mengimpalnya, banyak arus elektrik memberi tumpuan kepada unjuran ini. Itu menjadikan logam di sana menjadi sangat panas, cair, dan kemudian apabila ia menyejukkan, ia membentuk kimpalan yang kuat. Kimpalan ini memegang bolt kimpalan wajah kekuatan tinggi dengan ketat ke bahagian yang sedang anda kerjakan.
Tugas utama Kimpalan Kekuatan Tinggi Kimpalan Bolt adalah untuk mewujudkan titik lampiran berasaskan benang yang boleh memegang berat badan. Anda memerlukan peralatan kimpalan unjuran khas untuk mengimpalnya.
Elektrod menekan dan menghantar banyak elektrik melalui unjuran bolt dan sekeping logam yang anda bekerjasama. Cara bolt kimpalan dibuat bermakna hanya unjuran cair -tidak ada lagi. Apabila mereka sejuk, mereka membentuk ikatan logam yang kuat, dan logam di sekelilingnya tidak bengkok atau melengkung.
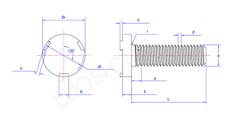
| Mon | M5 | M6 | M8 | M10 |
| P | 0.8 | 1 | 1.25 | 5 |
| DK Max | 12.4 | 14.4 | 16.4 | 20.4 |
| DK min | 11.6 | 13.6 | 15.6 | 19.6 |
| k max | 2 | 2.2 | 3.2 | 4.2 |
| K min | 1.6 | 1.8 | 3.2 | 4.2 |
| dan max | 2.25 | 2.75 | 2.25 | 2.75 |
| E min | 1.75 | 2.25 | 1.75 | 2.25 |
| b max | 3.3 | 4.3 | 5.3 | 6.3 |
| B min | 2.7 | 3.7 | 4.7 | 5.7 |
| H max | 0.8 | 0.9 | 1.1 | 1.3 |
| H min | 0.6 | 0.75 | 0.9 | 1.1 |
| D1 Max | 10 | 11.5 | 14 | 17.5 |
| D1 min | 9 | 10.5 | 13 | 16.5 |
| R min | 0.2 | 0.25 | 0.4 | 0.4 |
| r max | 0.6 | 0.7 | 0.9 | 1.2 |
| maks | 3.2 | 4 | 5 | 5 |

Bolt kimpalan unjuran kekuatan tinggi mempunyai sedikit bahagian yang dibangkitkan -biasanya cincin atau penyok kecil -di sebelah yang dikimpal. Apabila anda mengimpalnya, banyak elektrik memberi tumpuan kepada bahagian -bahagian yang dibangkitkan. Mereka mencairkan segera ke atas logam asas, sementara elektrod menekan ke bawah.
Ini menjadikan kimpalan yang kuat dan ketat yang memegang bolt di tempat dengan baik. Mereka bekerja hebat untuk pekerjaan logam lembaran.