|
isn |
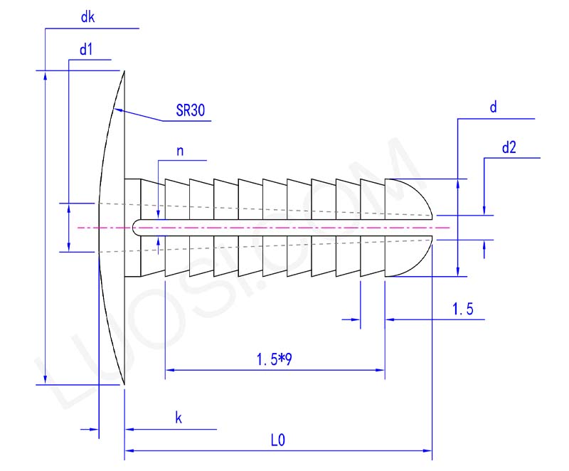
Φ6 |
Φ8 |
Φ10 |
|
d maks |
6 | 8 | 10 |
|
d min |
5.8 | 7.8 | 9.8 |
|
dk maks |
16.2 | 16.2 | 18.2 |
|
dk min |
15.8 | 15.8 | 17.8 |
|
k maks |
1.6 | 1.6 | 2.1 |
|
k min |
1.4 | 1.4 | 1.9 |
|
L0 |
20 | 20 | 22 |
|
d1 |
3 | 4 | 5 |
|
d2 |
1.5 | 2 | 3 |
|
n |
1 | 1 | 1.5 |
Penahan klip rivet yang mengembang ialah pengikat plastik yang berguna. Ia berfungsi sebagai pilihan yang lebih selamat dan lebih ringan yang tahan karat, bukannya pin cotter logam biasa.
Ia pada asasnya adalah sekeping silinder dengan belahan di bahagian tengah. Anda meletakkannya melalui lubang pra-gerudi, kemudian bengkokkan kedua-dua kaki keluar untuk memegang bahagian seperti pin clevis, aci atau pautan pada tempatnya. Versi plastik ini menghilangkan masalah seperti logam yang haus, tepi tajam dan kakisan galvanik.
Kelebihan utama penahan klip rivet yang berkembang adalah tentang keselamatan, menjadi lebih ringan dan tahan dalam persekitaran yang berbeza.
Tidak seperti pin logam, ia tidak mempunyai masalah burr tajam yang boleh memotong anda apabila memasukkan atau mengeluarkannya. Ia jauh lebih ringan, yang sangat penting untuk kegunaan aeroangkasa dan kereta.
Lebih-lebih lagi, penahan klip rivet yang mengembang secara semula jadi menentang karat dan kakisan. Ia boleh digunakan di lokasi basah, di sekitar bahan kimia, atau di tempat elektrik tidak mencukupi, dan di mana jarum logam mungkin tidak berfungsi atau menyebabkan masalah.

Nilai khusus kekuatan ricih penahan klip rivet kami yang berkembang akan berbeza-beza bergantung pada diameter pin dan gred bahan tertentu.
Ia direka untuk mengendalikan banyak getaran dan beban bergerak, yang biasa berlaku dalam jentera, alat ganti kereta dan talian pemasangan.
Bahan ini secara semula jadi mempunyai sedikit fleksibiliti dan keanjalan, yang membantu ia menyerap hentakan. Itu menjadikannya pengganti yang boleh dipercayai untuk pin logam dalam banyak persekitaran yang sukar, ia tidak mudah haus, dan ia juga mengurangkan haus pada bahagian yang disambungkannya.
