Ciri -ciri semulajadi klip rivet yang berkembang plastik menjadikannya baik untuk kegunaan khusus dan khusus. Oleh kerana ia tidak menjalankan elektrik, ia sangat penting dalam kotak elektrik dan kawasan voltan tinggi. Ia tidak membuat percikan api, yang benar -benar diperlukan di tempat -tempat di mana letupan boleh berlaku (zon atex).
Anda juga tidak boleh melakukan tanpa ia di bilik MRI dan elektronik sensitif, tempat di mana medan magnet kecil dari pin logam tidak dibenarkan.

Klip rivet yang meluaskan plastik yang baik melalui ujian yang ketat untuk memastikan ia berfungsi secara konsisten. Ujian ini memeriksa perkara -perkara seperti ketepatan saiz, berapa banyak tarikan yang boleh diambil, seberapa baik ia mengendalikan hits, dan jika ia berfungsi dengan bahan kimia yang berbeza.
Pin cotter plastik Xiaoguo® dihasilkan untuk piawaian industri menggunakan bahan -bahan yang memenuhi keperluan tertentu, memastikan prestasi. Mereka dengan selamat dan selamat memegang objek untuk tujuan yang dimaksudkan. Berbanding dengan pin cotter logam, plastik yang lebih tahan kakisan dan tahan karat.

Mon
F6
F8
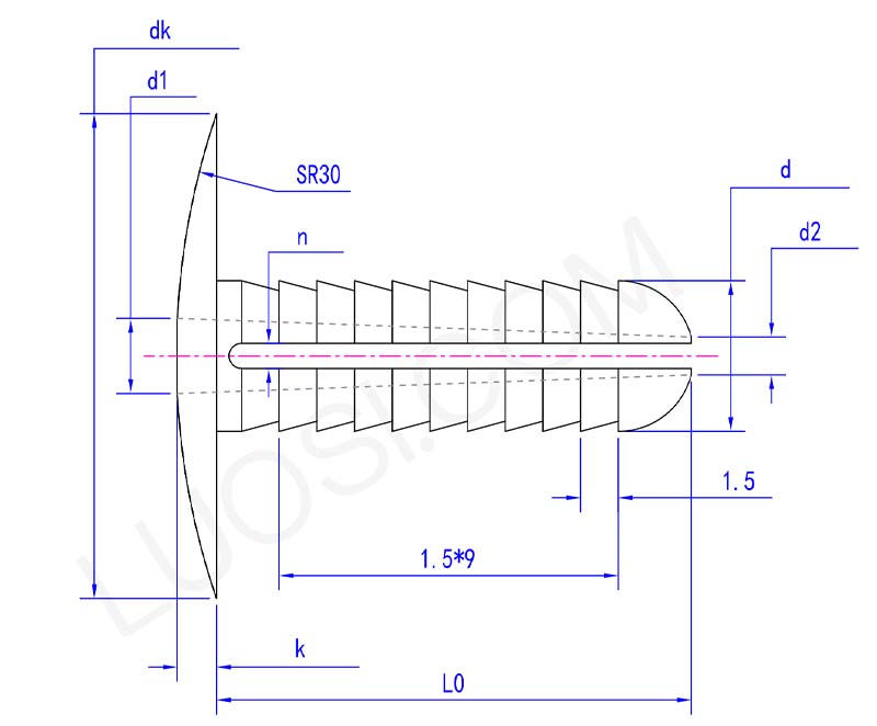
Φ10
d max
6
8
10
dmin
5.8
7.8
9.8
DK Max
16.2
16.2
18.2
DK min
15.8
15.8
17.8
k max
1.6
1.6
2.1
k min
1.4
1.4
1.9
L0
20
20
22
d1
3
4
5
d2
1.5
2
3
n
1
1
1.5
Klip rivet plastik standard kami diperbuat daripada bahan -bahan yang mematuhi peraturan antarabangsa utama, termasuk ROHS dan REACH. Kami juga menawarkan versi FDA yang disahkan untuk aplikasi hubungan makanan. Sijil pematuhan boleh didapati atas permintaan.
Bahan kami dipilih dengan teliti mengikut piawaian global semasa pengeluaran, memastikan pematuhan piawaian kualiti yang relevan dan memastikan eksport yang selamat dan penggunaan yang meluas di seluruh dunia.