Rumah > Produk > Bahagian yang rivet > Rivet plastik > Mengembangkan Klip Rivet
        Mengembangkan Klip Rivet
        • Mengembangkan Klip RivetMengembangkan Klip Rivet
        • Mengembangkan Klip RivetMengembangkan Klip Rivet
        • Mengembangkan Klip RivetMengembangkan Klip Rivet
        • Mengembangkan Klip RivetMengembangkan Klip Rivet
        • Mengembangkan Klip RivetMengembangkan Klip Rivet

        Mengembangkan Klip Rivet

        Klip rivet yang mengembang ialah pengikat plastik yang dipasang dengan memasukkan serampang fleksibelnya melalui lubang dan kemudian memisahkanXiaoguo® ialah pengilang dengan lebih sepuluh tahun pengalaman profesional dalam industri pengikat. Kami dapat menghantar tepat pada masanya tanpa mengira saiz pesanan.
        Model:QC/T 350-1999

        Hantar Pertanyaan

        Penerangan Produk

        Bahan yang paling biasa untuk klip rivet mengembang yang boleh dipercayai ialah Nylon 6/6 bertetulang kaca dan Kopolimer Acetal (POM). Nylon 6/6 lebih kuat dan mengendalikan haba dengan lebih baik. POM mengekalkan bentuknya dengan baik, tidak banyak menggosok, dan tahan untuk penggunaan berulang tanpa haus.

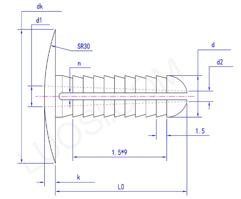
        expanding rivet clip parameter

        isn
        Φ6 Φ8
        Φ10
        d maks
        6 8 10
        d min
        5.8 7.8 9.8
        dk maks
        16.2 16.2 18.2
        dk min
        15.8 15.8 17.8
        k maks
        1.6 1.6 2.1
        k min
        1.4 1.4 1.9
        L0
        20 20 22
        d1
        3 4 5
        d2
        1.5 2 3
        n
        1 1 1.5

        Plastik kejuruteraan ini memastikan badan pin belah berfungsi dengan baik di bawah tekanan mekanikal dan keadaan sukar. Tidak seperti plastik yang lebih murah, ia tidak mudah rosak.

        Penyelenggaraan

        Mengekalkan klip rivet yang berkembang adalah mudah. Diperbuat daripada plastik tahan kakisan, ia tidak akan berkarat, menghapuskan keperluan untuk agen atau minyak anti-karat. Sebelum digunakan, periksa untuk kerosakan, seperti keretakan, ubah bentuk, atau kerapuhan atau pemutihan akibat pendedahan berpanjangan kepada cahaya matahari. Penggantian adalah mudah; tiada alat khas diperlukan. Hanya tarik klip lama di bahagian kaki dan gantikan dengan yang baru. Mudah digunakan. Periksa keadaan klip rivet dengan kerap dan gantikannya dengan segera.

        Adakah anda tahan terhadap degradasi UV untuk kegunaan luaran yang berpanjangan?

        Klip rivet mengembang standard kami mempunyai penyekat UV terbina betul-betul semasa kami membuatnya. Walaupun terdedah kepada cahaya matahari untuk masa yang lama, ia tidak akan kering, menjadi rapuh atau mudah retak.

        Perlindungan UV itu memastikan mereka melakukan tugas mereka, kekal kuat, fleksibel, dan berpegang teguh, walaupun dalam keadaan luar yang kasar. Fikirkan traktor, penggali, panel solar, peralatan ladang, dsb. Berbanding dengan plastik biasa tanpanya, ini hanya bertahan lebih lama tanpa anda perlu risau tentangnya.


        Teg Panas: Mengembangkan Klip Rivet, China, Pengilang, Pembekal, Kilang
        Kategori Berkaitan
        Hantar Pertanyaan
        Sila berasa bebas untuk memberikan pertanyaan anda dalam borang di bawah. Kami akan membalas anda dalam masa 24 jam.
        X
        Kami menggunakan kuki untuk menawarkan anda pengalaman menyemak imbas yang lebih baik, menganalisis trafik tapak dan memperibadikan kandungan. Dengan menggunakan tapak ini, anda bersetuju dengan penggunaan kuki kami. Dasar Privasi
        Tolak Terima