Bolt mata palsuadalah pengikat yang kuat yang digunakan untuk mengangkat, mengikat, dan berlabuh. Mereka mempunyai gelung "mata" bulat di satu hujung dan aci berulir di sisi lain. Ini membolehkan anda melampirkan kabel, tali, atau rantai dengan selamat. Mereka dibuat untuk mengendalikan kedua -dua beban bergerak dan pegun. Anda akan melihat mereka banyak dalam pembinaan, kerja laut, dan logistik.
Terdapat pelbagai jenis, seperti bolt bahu, bolt jentera, dan mata skru. Setiap jenis berfungsi untuk saiz dan persekitaran beban yang berbeza. Reka bentuk mereka adalah sukar dan boleh dipercayai, yang menjadikan mereka penting untuk menjaga perkara yang selamat dan berfungsi dengan baik dalam tetapan perindustrian.
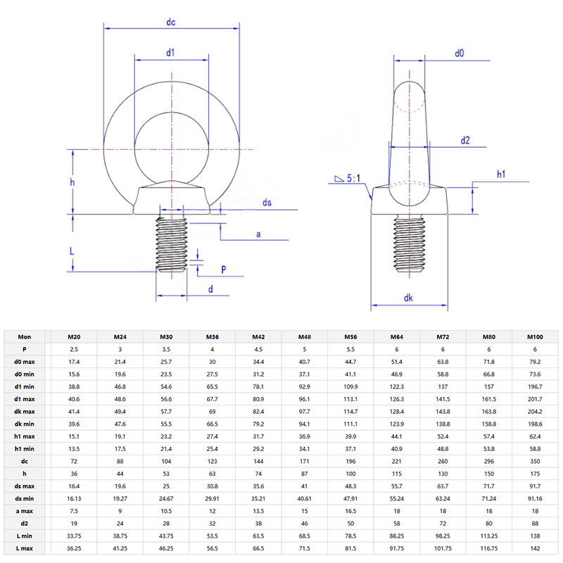
Bolt mata palsuDatanglah dalam saiz benang dari M6 sehingga M48, dan mereka dinilai untuk beban antara 50kg hingga lebih dari 20 tan. Sekiranya anda menggunakan jenis bahu, ingatlah-anda perlu mengikat mereka sepanjang jalan untuk memukul penarafan berat maksimum mereka. Skru mata? Mereka lebih baik untuk pekerjaan yang lebih ringan. Sentiasa periksa sama ada mereka mempunyai pensijilan seperti DIN, ISO, atau ASTM - itulah bagaimana anda tahu mereka legit.
Perkara seperti saiz mata, panjang shank, dan jarak benang bergantung kepada pekerjaan anda, jadi croses carta berat untuk mengelakkan ketidakcocokan. Perlukan sesuatu yang pelik untuk projek khas? Sesetengah pembekal akan tweak saiz atau benang untuk anda. Hanya jangan melangkau butiran semasa membuat pesanan.

S: Berapakah kapasiti berat maksimum andabolt mata palsu, dan bagaimana ia ditentukan?
A: Berapa banyak berat badan yang dapat dipegangnya benar -benar datang kepada tiga perkara: apa yang dibuat dari, betapa tebalnya, dan cara ia dibina. Ambil keluli karbon yang dipalsukan, contohnya - mereka lebih sukar daripada versi dicap atau bengkok dan boleh mengendalikan mana -mana dari 0.25 tan sehingga 11 tan. Had Beban Kerja (WLL) - itulah berat badan maksimum yang dapat dikendalikannya - digambarkan menggunakan peraturan seperti ASME B30.26 atau DIN 580. Peraturan ini membina kusyen keselamatan, biasanya nisbah 4: 1 atau 5: 1, jadi mereka lebih kuat daripada nombor yang dicadangkan. Pada asasnya, jika ia dinilai untuk 1 tan, ia sebenarnya dibina untuk mengendalikan 4 atau 5 tan sebelum apa -apa pergi ke sisi.