Rumah > Produk > Bolt > Bolt Kepala Bulat > Bolt Mata Berkapasiti Tinggi
        Bolt Mata Berkapasiti Tinggi
        • Bolt Mata Berkapasiti TinggiBolt Mata Berkapasiti Tinggi
        • Bolt Mata Berkapasiti TinggiBolt Mata Berkapasiti Tinggi

        Bolt Mata Berkapasiti Tinggi

        Bolt Mata Kapasiti Tinggi dibuat dengan ketepatan daripada bahan berkekuatan tinggi, yang mempunyai kapasiti galas beban yang kuat. Bolt mata galas beban tinggi Xiaoguo memenuhi piawaian keselamatan antarabangsa dan sesuai untuk mengangkat peralatan berat, pemasangan kejuruteraan dan senario lain. Xiaoguo memastikan setiap produk memenuhi piawaian keselamatan yang ketat.

        Hantar Pertanyaan

        Penerangan Produk

        Sebelum anda berfikir tentang menggunakan bolt Mata Berkapasiti Tinggi, lihat baik-baik. Periksa sebarang kerosakan yang jelas, seperti retak, bengkok, atau jika semuanya sudah haus. Selain itu, pastikan semua maklumat yang dicop padanya, terutamanya Had Beban Kerja (WLL), jelas dan mudah dibaca. Jika anda tidak dapat melihatnya dengan betul, lebih baik melangkaunya dan ambil yang lain.

        Apabila anda memasukkannya ke dalam, skrukannya ke dalam lubang sehingga bahagian bahu benar-benar rata dan menempel pada permukaan. Jangan sesekali menggunakan tukul untuk memaksanya—yang boleh mengacaukan keadaan. Hanya gunakan alat yang betul, seperti sepana, untuk menjadikannya ketat dan selamat.

        Bagi cara anda menggunakan beban, sentiasa pastikan ia sejajar dengan mata bolt. Jangan sekali-kali menarik ke sisi atau pada sudut yang aneh, kerana itu boleh menyebabkan ia gagal. Jika anda menggunakan bolt mata bahu untuk lif yang tidak lurus ke atas, pastikan sudut di bawah 45 darjah dan ingat, anda perlu menurunkan WLL untuk mengambil kira sudut. Ini membantu mengelakkan beban berlebihan dan memastikan semuanya lebih selamat semasa anda bekerja.

        Pembungkusan Produk

        Jika anda hanya mengambil set bolt Mata Berkapasiti Tinggi kecil dari kedai perkakasan, ia mungkin akan datang dalam kotak kadbod ringkas. Tetapi jika anda memesan secara pukal untuk kerja besar atau untuk kegunaan industri, pada masa itulah keadaan berubah. Mereka selalunya akan dibungkus dengan selamat dalam karton kertas tugas berat yang kemudian disusun dan diikat pada palet kayu. Palletizing ini agak standard kerana ia menjadikan penghantaran dan pengendalian lebih stabil dan lebih selamat untuk semua orang yang terlibat.

        Satu lagi cara yang sangat biasa anda akan melihatnya dibungkus secara individu, atau dalam kumpulan, di dalam beg poli plastik jernih dahulu. Beg ini bagus untuk mengelakkan kelembapan dan habuk. Kemudian, beg tersebut diletakkan di dalam karton kertas luar yang lebih kuat untuk lapisan perlindungan tambahan semasa transit. Secara jujur, perkara utama semua pembungkusan ini bukanlah untuk menjadi mewah; ia hanya praktikal. Satu-satunya tugasnya adalah untuk melindungi bolt mata daripada terhantuk, berkarat atau rosak semasa ia dihantar kepada anda atau berada dalam simpanan.

        Sesi Soal Jawab

        Soalan: Apakah perbezaan antara bolt Mata Berkapasiti Tinggi corak biasa dan bahu? Bolt corak bahu mempunyai permukaan galas yang lebih besar di bawah mata, jadi ia menyebarkan beban dengan lebih baik. Yang ini lebih kuat dan anda harus menggunakannya untuk lif bersudut—tidak seperti jenis biasa, yang hanya berfungsi untuk beban menegak lurus ke atas.

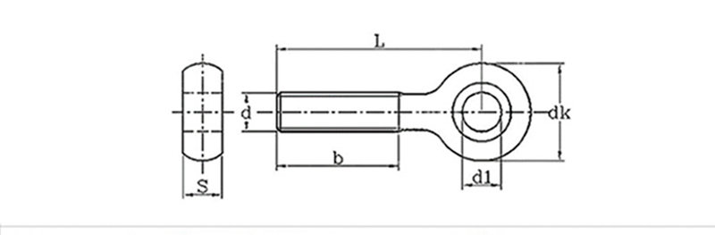
        High Capacity Eye Bolt

        mm
        Diameter benang
        d1
        dk
        s
        M6
        5 10.5 5.4
        M8

        6

        13 7
        M10
        8 16 8.5
        M12
        10 19 10.5
        M14
        10 22 12


        Teg Panas: Bolt Mata Berkapasiti Tinggi
        Kategori Berkaitan
        Hantar Pertanyaan
        Sila berasa bebas untuk memberikan pertanyaan anda dalam borang di bawah. Kami akan membalas anda dalam masa 24 jam.
        X
        Kami menggunakan kuki untuk menawarkan anda pengalaman menyemak imbas yang lebih baik, menganalisis trafik tapak dan memperibadikan kandungan. Dengan menggunakan tapak ini, anda bersetuju dengan penggunaan kuki kami. Dasar Privasi
        Tolak Terima