Gred bolt mata Jenis Bahu untuk pengikat ditakrifkan oleh piawaian kekuatan dan bahan, penting untuk mengangkat selamat. Gred biasa termasuk 4.8, 8.8, 10.9 dan 12.9 untuk varian keluli karbon—nombor yang lebih tinggi bermakna kekuatan tegangan yang lebih besar. Gred 4.8 sesuai dengan tugas ringan seperti DIY di rumah, manakala 8.8 berfungsi untuk kegunaan industri am. Gred 10.9 dan 12.9 berkekuatan tinggi mengendalikan beban berat dalam pembinaan atau jentera.
Versi keluli tahan karat selalunya mengikut gred A4 (316) atau A2 (304), mengutamakan rintangan kakisan untuk persekitaran marin/kimia. Gred keluli aloi palsu menawarkan ketahanan yang unggul untuk pengangkatan yang melampau. Setiap gred ditandakan dengan penarafan beban, memastikan keserasian dengan aplikasi yang dimaksudkan dan pematuhan keselamatan.
Kawalan kualiti untuk bolt Mata Jenis Bahu bermaksud melakukan pemeriksaan menyeluruh untuk memastikan ia selamat dan berfungsi dengan betul. Proses ini biasanya melibatkan memastikan gred bahan adalah betul, menyemak benang untuk melihat sama ada ia adalah tepat dan menjalankan ujian beban untuk mengesahkan Had Beban Kerja (WLL). Mereka juga menyemak sama ada dimensi sepadan dengan piawaian seperti DIN atau ISO. Setiap kumpulan Eye bolt harus dapat dikesan dan anda akan mendapat pensijilan untuk membuktikan ia memenuhi keperluan untuk cara anda menggunakannya.

Soalan: Bagaimanakah saya perlu memasang bolt Mata Jenis Bahu dengan betul? Untuk bolt standard, skrukannya terus ke dalam lubang yang diketuk—pastikan bahu mata menyentuh permukaan. Menarik pada sudut akan mengurangkan beban kerja yang selamat sepenuhnya, dan itu berbahaya.

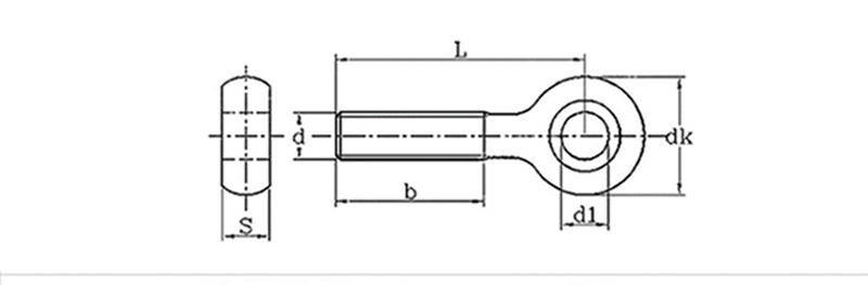
mm
Diameter benang
d1
dk
s
M6
5
10.5
5.4
M8
6
13
7
M10
8
16
8.5
M12
10
19
10.5
M14
10
22
12