Rumah > Produk > Bolt > Bolt Kepala Bulat > Bolt leher persegi kepala cawan diperkukuh
        Bolt leher persegi kepala cawan diperkukuh
        • Bolt leher persegi kepala cawan diperkukuhBolt leher persegi kepala cawan diperkukuh
        • Bolt leher persegi kepala cawan diperkukuhBolt leher persegi kepala cawan diperkukuh
        • Bolt leher persegi kepala cawan diperkukuhBolt leher persegi kepala cawan diperkukuh

        Bolt leher persegi kepala cawan diperkukuh

        Adakah anda ingin membeli bolt leher persegi kepala cawan yang diperkukuh? Baut kilang Xiaoguo® telah diperkukuh tambahan untuk menahan beban dan getaran yang lebih tinggi. Permukaan yang diikat lebih besar, dan bolt dikunci pada tempatnya untuk mengelakkan putaran semasa pemasangan.
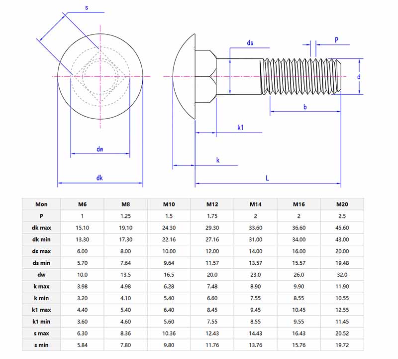
        Model:GB/T 794-1993

        Hantar Pertanyaan

        Penerangan Produk

        Bolt leher persegi kepala cawan diperkukuhmempunyai kepala berbentuk cawan untuk meningkatkan kawasan sentuhan dan menyebarkan tekanan. Ia disambungkan ke leher persegi untuk mengelakkan bolt daripada berputar semasa pemasangan. Selepas rawatan haba khas, mereka boleh menahan ketegangan dan tekanan yang lebih besar.

        Strengthened cup head square neck bolts

        Butiran produk

        Ia diperbuat daripada bahan berkekuatan tinggi, seperti keluli karbon dan keluli aloi. Selepas rawatan khas, kekuatan bolt bertambah baik. Pada peralatan yang mempunyai getaran yang besar, mereka boleh membetulkan bahagian dengan kukuh dan tidak akan longgar semasa getaran berterusan, memastikan operasi peralatan yang stabil dan mengurangkan bilangan dan kos penyelenggaraan.

        Bolt leher persegi kepala cawan diperkukuhdigunakan dalam peralatan pertanian. Di ladang, peralatan ladang seperti bajak tertakluk kepada hentaman berat daripada batu dan tanah keras. Bolt leher segi empat tepat terpasang ke dalam bingkai pelaksana dan menghalang putaran semasa penggunaan sengit. Ia menghalang bolt daripada regangan atau ricih di bawah beban berat dan kesan biasa dalam pertanian.

        Ia boleh digunakan untuk mengamankan sambungan jambatan. Jambatan mengembang dan mengecut dengan perubahan suhu, dan bolt ini menambatnya dengan kuat di saluran konkrit atau keluli, menentang daya kilasan yang disebabkan oleh pergerakan jambatan. Ini mengurangkan risiko kegagalan.

         Parameter produk

        Strengthened cup head square neck bolts

        Ciri produk

        Ciri yang paling tersendiri dariBolt leher persegi kepala cawan diperkukuhialah leher persegi dan kepala cawan mereka. Leher persegi adalah seperti kunci khas yang sesuai dengan sempurna dengan alur persegi pada bahan. Ia memainkan peranan dalam meletakkan dan menghalang putaran semasa pemasangan. Apabila mengetatkan nat, leher persegi tersangkut di dalam alur dan bolt tidak akan berputar bersama, menjadikan proses pemasangan mudah dan cekap. Kepala cawan boleh mengagihkan tekanan secara sama rata. Apabila memasang bahan yang lebih nipis, bolt biasa boleh menekan lekukan atau bahkan menembusi bahan. Menggunakannya boleh mengelakkan situasi ini dan juga meningkatkan kesan penetapan, menjadikan sambungan lebih selamat.


        Arahan penggunaan produk

        Bolt leher persegi kepala cawan yang diperkukuh memerlukan penyediaan dan alat yang mudah untuk pemasangan. Mula-mula, sahkan bahawa saiz bolt sepadan dengan lubang pra-gerudi dan nat yang sepadan. Jajarkan leher segi empat sama bolt dengan slot pada bahan kerja—slot ini direka untuk menghalang bolt daripada berputar semasa mengetatkan. Kemudian, masukkan bolt ke dalam lubang sehingga leher empat segi sesuai dengan ketat ke dalam slot. Seterusnya, gunakan sepana untuk memegang kepala bolt jika perlu, walaupun leher persegi biasanya memastikannya tetap, dan skru nat pada benang dengan tangan terlebih dahulu untuk memastikan penglibatan yang lancar. Akhir sekali, gunakan sepana tork untuk mengetatkan nat kepada nilai tork yang disyorkan; elakkan terlalu ketat untuk mengelakkan kerosakan benang. Untuk pembongkaran, terbalikkan langkah: longgarkan nat dengan sepana, tanggalkannya sepenuhnya, kemudian tarik bolt keluar dari lubang. Jika bolt tersangkut akibat karat, sapukan sedikit pelincir dan tunggu beberapa minit sebelum cuba menanggalkan.

        Pembungkusan Produk

        Bolt leher persegi kepala cawan yang diperkukuh dibungkus berdasarkan kuantiti pesanan untuk melindunginya semasa pengangkutan dan penyimpanan. Pesanan kecil (biasanya kurang daripada 1000 keping) dibungkus dalam beg plastik lutsinar. Setiap beg dimeterai untuk mengelakkan habuk dan kelembapan, serta dilabelkan dengan butiran produk seperti saiz, bahan dan kuantiti. Pesanan sederhana (1000 hingga 10,000 keping) diletakkan dalam kotak plastik keras dengan petak terbahagi. Setiap petak memegang bilangan bolt tetap untuk mengelakkan perlanggaran dan calar di antara mereka. Pesanan besar (lebih 10,000 keping) menggunakan karton beralun untuk pembungkusan luar, dengan buih atau balutan gelembung melapik bahagian dalam untuk menyerap hentakan semasa transit. Setiap karton ditandakan dengan jumlah kuantiti, spesifikasi produk, dan nombor kelompok untuk memudahkan semakan inventori. Pelanggan boleh meminta pembungkusan tersuai, seperti menambah bahan pengering untuk mengelakkan karat dalam persekitaran lembap atau menggunakan pembungkusan khusus jenama. Kos pembungkusan termasuk dalam harga produk untuk pilihan standard, manakala pembungkusan tersuai mungkin dikenakan bayaran tambahan.



        Teg Panas: Bolt leher persegi kepala cawan diperkukuh, China, Pengilang, Pembekal, Kilang
        Kategori Berkaitan
        Hantar Pertanyaan
        Sila berasa bebas untuk memberikan pertanyaan anda dalam borang di bawah. Kami akan membalas anda dalam masa 24 jam.
        X
        Kami menggunakan kuki untuk menawarkan anda pengalaman menyemak imbas yang lebih baik, menganalisis trafik tapak dan memperibadikan kandungan. Dengan menggunakan tapak ini, anda bersetuju dengan penggunaan kuki kami. Dasar Privasi
        Tolak Terima