Rumah > Produk > Kacang kimpalan > Skru kimpalan > Skru Kimpal Dengan Benang Metrik
        Skru Kimpal Dengan Benang Metrik
        • Skru Kimpal Dengan Benang MetrikSkru Kimpal Dengan Benang Metrik
        • Skru Kimpal Dengan Benang MetrikSkru Kimpal Dengan Benang Metrik
        • Skru Kimpal Dengan Benang MetrikSkru Kimpal Dengan Benang Metrik

        Skru Kimpal Dengan Benang Metrik

        Skru kimpal dengan benang metrik digunakan untuk mengimpal pada permukaan logam, dan kemudian benang metrik digunakan untuk menyambungkan komponen lain. Syarikat Xiaoguo® mempunyai inventori barangan yang mencukupi dalam stok. Ia sesuai untuk pembuatan logam, panel automotif atau bingkai perindustrian.
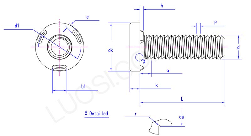
        Model:DIN 34817-2001

        Hantar Pertanyaan

        Penerangan Produk

        isn
        M5 M6 M8 M10 M12 M14
        P
        0.8 1 1.25 1.5 1.5 1.5
        maks
        2.4 2.8 3.7 4.4 4.6 4.6
        dk maks
        10 12 16 20 24 28
        dk min
        9.64 11.57 15.57 19.48 23.48 27.48
        d1 min
        7.85 9.75 13.25 17.15 21.15 25.20
        d1 maks
        8.21 10.11 13.68 17.58 21.67 25.72
        h maks
        0.8 0.8 1.2 1.4 1.6 1.6
        h min
        0.7 0.7 1.1 1.3 1.5 1.5
        k maks
        2.2 2.7 3.2 4.2 5 5.8
        k min
        1.8 2.3 2.8 3.8 4.6 5.4
        r min
        0.1 0.15 0.15 0.15 0.15 0.2
        e maks
        1.7 1.7 2.2 2.2 2.2 2.7
        e min
        1.3 1.3 1.8 1.8 1.8 2.3
        b1 maks
        3.9 4.4 5.9 7.9 9.4 11.5
        b1 min
        3.1 3.6 5.1 7.1 8.6 10.5
        dan maks
        5.3 6.4 8.4 10.5 13 15

        Skru kimpal dengan benang metrik dipasang pada bahan kerja dengan mengimpal. Skru jenis ini terdapat dalam kedua-dua gaya kepala dan bukan kepala. Mengikut benang, ia boleh dikelaskan lagi kepada skru dikimpal benang luaran dan skru dikimpal benang dalaman. Spesifikasi biasanya dari M5 hingga M14.

        Weld screw with metric thread parameter

        Boleh digunakan dalam

        Skru kimpal dengan benang metrik digunakan untuk membaiki kurungan ekzos. Jikabolt itulubang pendakap ekzos sudah haus, ia boleh dibaiki dengan menggunakannya. Bersihkan titik kimpalan titik pada bingkai, pasang skru, dan lakukan kimpalan titik melalui lubang pada mesin basuh. Ketatkan pendakap dengan bolt. Ia hanya mengambil masa 3 minit dan tidak perlu menggeledah semula atau mengetik. Ia boleh menahan getaran jalan tanpa longgar.

        Skru kimpal dengan benang metrik digunakan untuk menaik taraf kurungan penghantar. Jika anda perlu menambah penderia pada penghantar sedia ada, gunakannya untuk memasang kurungan dengan cepat. Kimpalkan skru M8 pada rel panduan bingkai yang diperlukan. Tidak perlu menggerudi lubang dalam struktur utama. Pendakap sensor dipasang terus pada benang baharu dengan bolt. Ia menjimatkan masa yang diperlukan untuk pendawaian semula semasa pengubahsuaian dan pemasangan.

        Skru kimpalan digunakan untuk memasang paip hidraulik. Jika perlu untuk menetapkan pengapit hos hidraulik pada peralatan, menggunakannya boleh mengelakkan gegaran. Kimpal skru M6 di sepanjang bingkai setiap 18 inci. Pendakap lekapan dipasang terus pada skru dengan bolt. Mereka boleh menahan getaran berterusan lebih baik daripada skru kepingan logam. Elakkan hos daripada haus akibat geseran.

        Ciri-ciri Produk

        Ciri skru kimpal dengan benang metrik terletak pada penggunaan kaedah penetapan kimpalan. Berbanding dengan sambungan mekanikal biasa, kimpalan boleh membuat skru dan bahan asas membentuk ikatan yang lebih ketat, hampir bersepadu. Reka bentuk benang metrik boleh dipadankan dengan mudah dengan kacang atau komponen dengan benang dalaman, memudahkan pemasangan bahagian lain pada masa hadapan. Selain itu, ketepatan dimensi benang mematuhi piawaian metrik, menjadikannya sangat serba boleh.

        Teg Panas: Skru Kimpalan Dengan Benang Metrik, China, Pengilang, Pembekal, Kilang
        Kategori Berkaitan
        Hantar Pertanyaan
        Sila berasa bebas untuk memberikan pertanyaan anda dalam borang di bawah. Kami akan membalas anda dalam masa 24 jam.
        X
        Kami menggunakan kuki untuk menawarkan anda pengalaman menyemak imbas yang lebih baik, menganalisis trafik tapak dan memperibadikan kandungan. Dengan menggunakan tapak ini, anda bersetuju dengan penggunaan kuki kami. Dasar Privasi
        Tolak Terima