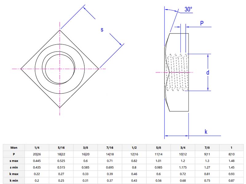
TheNU persegi selesai kasartadalah pengikat asas, tanpa embel-embel dengan benang besar (padang kasar) dan bentuk persegi. Kemasan permukaannya yang kasar, seringkali bersalut zink atau bersalut oksida hitam, menentang karat dan mengendalikan pekerjaan yang sukar.

Sekiranya anda perlu menggunakan bolt dalam persekitaran yang keras, maka anda boleh memilihkacang persegi selesai kasar. Permukaan mentahnya juga lebih baik dalam persekitaran yang kotor atau berminyak, mengurangkan kemerosotan semasa pengetatan. Kacang persegi boleh dikunci dengan sepana atau tang. Ia sesuai untuk jentera, peralatan pertanian atau pembinaan. Tiada salutan mewah, hanya keluli asas, mudah untuk mengendalikan penggunaan kekuatan yang tinggi.
Mekanik menetapkan trak lama atau traktor sering menggunakankacang persegi selesai kasarUntuk bolt berkarat atau dipakai. Permukaan kasar menyesuaikan diri dengan benang yang rosak lebih baik daripada kacang yang digilap, dan bentuk persegi tidak akan dilingkari di bawah tork berat. Hebat untuk sistem ekzos, pembaikan casis, atau apa -apa yang terdedah kepada gris dan kotoran. Hanya engkol dan terus bekerja.
Apabila petani membaiki bajak atau peralatan pengairan, mereka sering menggunakankacang persegi selesai kasarKerana mudah untuk beroperasi. Permukaan kasar dapat merawat kotoran dan kotoran dengan berkesan untuk mencegah penyumbatan. Kacang persegi boleh diperbaiki di ruang yang ketat. Walaupun dengan sarung tangan, ia boleh dipasang dengan mudah menggunakan alat asas sahaja. Sesuai untuk pembaikan cepat tanpa downtime.

| Pasaran |
Jumlah Hasil (%) |
| Amerika Utara |
15 |
| Amerika Selatan |
10 |
| Eropah Timur |
12 |
| Asia Tenggara |
10 |
| Timur Tengah |
7 |
| Asia Timur |
17 |
| Eropah Barat |
15 |
| Asia Selatan |
6 |
| Pasaran Domestik |
8 |
Kacang persegi selesai kasarmempunyai kos penyelenggaraan yang rendah. Semak sama ada benang berkarat atau jatuh semasa penggunaan. Jika salutan dipakai, gantikannya. Jika kacang berada dalam persekitaran garam, tuangkan benang. Elakkan lebih ketat. Benang tebal jatuh lebih mudah daripada yang baik.