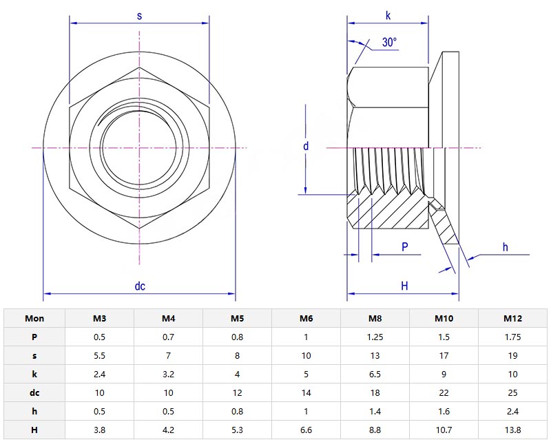
Hex Nuts dan Taper Washer AssembliesSesuai untuk permukaan yang tidak rata atau bersudut.Kacang hexagonSediakan benang standard untuk bolt, sementara pencuci tirus diselaraskan ke cerun atau pelepasan yang sesuai untuk keselamatan.

TheKacang Hex dan perhimpunan mesin basuh tirusMempunyai benang standard, manakala mesin basuh tirus mempunyai permukaan bersudut yang membolehkan pelarasan sehingga 10-15 darjah. Pangkalan luas mesin basuh mengedarkan beban secara merata, dan perhimpunan berfungsi dengan sama ada metrik atau bolt kekaisaran. Ia lebih besar daripada mesin basuh rata, tetapi menyelesaikan cabaran penjajaran.
GunakanHex Nuts dan Taper Washer Assembliesuntuk menjaminboltpada permukaan yang tidak teratur atau tidak teratur. Ia boleh melancarkan kurungan pada rasuk keluli cenderung, memasang peralatan pada konkrit yang tidak rata, atau kaki mesin yang selamat di lantai berbatu. Ia juga memudahkan untuk mengubahsuai struktur yang lebih tua dengan menetap atau permukaan lentur dari masa ke masa.
HEx kacang dan perhimpunan mesin basuh tirusadalah perkara biasa dalam pembinaan (rasuk keluli, perancah), sistem kereta api (pengikat trek), dan jentera pertanian (lampiran di kawasan yang tidak rata). Mereka juga digunakan dalam tiang utiliti, panel solar, dan projek DIY seperti Deck Building. Di mana -mana bolt memenuhi permukaan bersudut atau kasar, kombo ini menyimpan perkara yang ketat.

| Pasaran |
Jumlah Hasil (%) |
| Amerika Utara |
10 |
| Eropah Timur |
23 |
| Asia Tenggara |
3 |
| Timur Tengah |
5 |
| Asia Timur |
18 |
| Eropah Barat |
15 |
| Amerika Tengah |
6 |
| Asia Selatan |
5 |
| Pasaran Domestik |
15 |
Kacang Hex dan perhimpunan mesin basuh tirusMempunyai kos penyelenggaraan yang rendah, dan anda hanya perlu memeriksa sama ada produk itu berkarat atau sama ada mesin basuh cacat apabila anda menggunakannya. Gasket bengkok perlu diganti untuk mengekalkan cengkaman. Mereka tidak sesuai untuk sudut yang melampau (lebih daripada 15 darjah) atau beban berputar berat. Mereka adalah penyelesaian kos efektif untuk pekerjaan yang paling tidak seimbang.