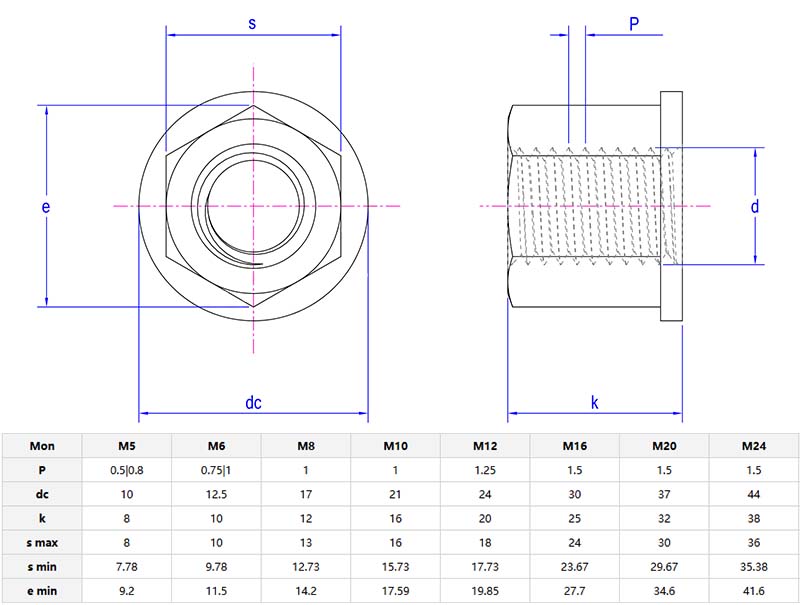
Kacang heksagon dengan kolaradalah kacang hexagon standard. Terdapat kolar silinder yang dilanjutkan di bawah kepala heksagon. Kolar menambah penglibatan benang tambahan dan melindungi benang bolt dari kerosakan. Kolar bertindak seperti mesin basuh terbina dalam.
	
 
Kacang heksagon dengan kolaradalah pengikat praktikal di mana kolar meluas di bawah kepala hex, memberikan anda 2-3 benang tambahan untuk cengkaman yang lebih selamat. Bentuk heksagon standard boleh digunakan dengan semua pasang biasa, dan kelebihan kolar yang licin menjadikannya lebih mudah bagi pekerja untuk dipasang. Walaupun sedikit lebih berat daripada kacang asas, kolar terbina dalam menambah kekuatan dan menghapuskan keperluan untuk mesin basuh atau gasket yang berasingan. Apabila anda memerlukan penglibatan benang tambahan atau ingin meminimumkan tepi tajam yang terdedah dalam mekanikal, pembinaan, kami mengesyorkan anda memilih kamikacang heksagon dengan kolar.
	
 
Mengapa memilihkacang heksagon dengan kolar?
Kolar memegang bolt lebih lama, mengurangkan risiko kehilangan benang di bawah beban berat. Ia juga boleh meliputi hujung bolt tajam, menjadikannya lebih selamat digunakan di taman permainan, perabot atau peralatan. Hanya perlu memasang kacang, kolar boleh memainkan peranan berganda. Sesuai untuk persekitaran di mana perubahan panjang bolt atau benang memerlukan perlindungan.
Kacang heksagon dengan kolardigunakan dalam automotif (sistem penggantungan, pemasangan enjin), pembinaan dan pertanian. Mereka juga digunakan dalam perhimpunan perabot, peralatan kecergasan dan projek DIY di mana bolt sering diselaraskan.
Kacang heksagon dengan kolarMenyediakan keselamatan benang tambahan. Tiada shim atau penutup tambahan yang diperlukan, ini sesuai untuk peminat DIY atau industri yang mengutamakan kecekapan. Ia sedikit lebih mahal, tetapi ia menjimatkan masa dan mengurangkan bilangan bahagian yang digunakan.