Rumah > Produk > Kacang > Kacang Heksagon > Kacang Nipis Heksagon Dengan Benang Pic Halus Metrik
        Kacang Nipis Heksagon Dengan Benang Pic Halus Metrik
        • Kacang Nipis Heksagon Dengan Benang Pic Halus MetrikKacang Nipis Heksagon Dengan Benang Pic Halus Metrik
        • Kacang Nipis Heksagon Dengan Benang Pic Halus MetrikKacang Nipis Heksagon Dengan Benang Pic Halus Metrik
        • Kacang Nipis Heksagon Dengan Benang Pic Halus MetrikKacang Nipis Heksagon Dengan Benang Pic Halus Metrik

        Kacang Nipis Heksagon Dengan Benang Pic Halus Metrik

        Kacang nipis heksagon dengan benang pic halus metrik mematuhi piawaian yang berkaitan, mempunyai benang halus dan pic kecil, dan lebih tahan terhadap kelonggaran berbanding benang kasar.Xiaoguo® ialah pembekal kacang nipis heksagon dengan benang pic halus metrik di China. Kacang kami dihasilkan dengan baik.
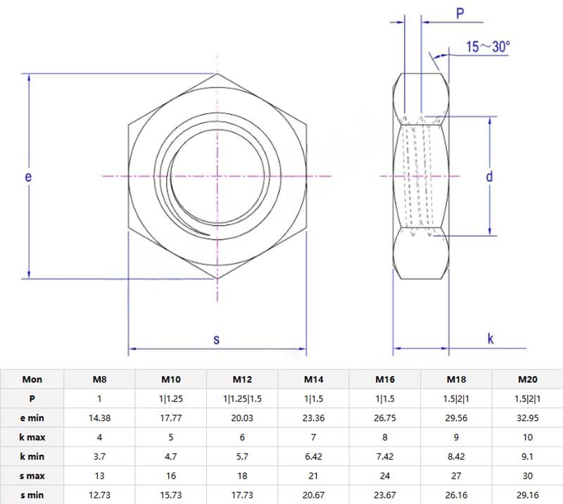
        Model:ISO 8675-1999

        Hantar Pertanyaan

        Penerangan Produk

        Kacang nipis heksagon dengan benang pic halus metrikgunakan benang pic halus, spesifikasi benang yang biasa digunakan ialah M6x0.75 atau M8x1.0. Berbanding dengan benang pic yang kasar, rintangan hentamannya lebih kuat. Bahan adalah keluli tahan karat atau loyang.

        Butiran dan parameter produk

        Kacang nipis heksagon dengan benang pic halus metrikdigunakan dalam peranti seperti robot (komponen bersama), peranti perubatan (alat pembedahan), dan optik (pelekap kamera). Pengeluar elektronik menggunakannya untuk papan litar, dan garaj kereta memasangnya pada penderia atau komponen papan pemuka.

        Kacang nipis heksagon dengan benang pic halus metrikmempunyai batasan tertentu. Mereka tidak sesuai untuk kren, trak atau keluli struktur. Tetapi untuk tugas ketepatan (membetulkan bahagian mikroskop, membaiki teleskop atau membuat alat perhiasan), anda boleh memilihnya. Benang halus memudahkan orang untuk menyesuaikan diri, dan ia mempunyai rintangan tork yang kurang. Sila pastikan untuk menyemak sama adaboltadalah serasi apabila digunakan, kerana benang tidak dipadankan dengan mudah.

        Kacang nipis heksagon dengan benang pic halus metrikboleh menguatkan sendi, tetapi ia tidak akan kekok dan tidak sedap dipandang. Jangan terlalu ketatkan nat, jika terlalu ketat, bentuk nat mungkin akan berubah bentuk. Walaupun perabot itu kerap bergerak, hanya setitik agen pengunci benang boleh digunakan untuk memastikan ketegasannya. Harganya rendah, kualiti bagus, mudah dipasang.

        Petua Penyelenggaraan & Pemasangan

        Anda boleh menggunakan berus lembut untuk membersihkankacang nipis heksagon dengan benang pic halus metrikuntuk membuang serpihan. Semasa pemasangan, selaraskan dengan teliti benang untuk mengelakkan benang yang salah. Jika getaran membimbangkan, tambahkan setitik agen pengunci benang berkekuatan rendah. Pastikan permukaan kacang kering untuk mengelakkan haus.

        Teg Panas: Kacang Nipis Heksagon Dengan Benang Pic Halus Metrik, China, Pengilang, Pembekal, Kilang
        Kategori Berkaitan
        Hantar Pertanyaan
        Sila berasa bebas untuk memberikan pertanyaan anda dalam borang di bawah. Kami akan membalas anda dalam masa 24 jam.
        X
        Kami menggunakan kuki untuk menawarkan anda pengalaman menyemak imbas yang lebih baik, menganalisis trafik tapak dan memperibadikan kandungan. Dengan menggunakan tapak ini, anda bersetuju dengan penggunaan kuki kami. Dasar Privasi
        Tolak Terima