Rumah > Produk > Kacang > Kacang Heksagon > MJ Benang Kacang Nipis Heksagon Kecil
        MJ Benang Kacang Nipis Heksagon Kecil
        • MJ Benang Kacang Nipis Heksagon KecilMJ Benang Kacang Nipis Heksagon Kecil
        • MJ Benang Kacang Nipis Heksagon KecilMJ Benang Kacang Nipis Heksagon Kecil
        • MJ Benang Kacang Nipis Heksagon KecilMJ Benang Kacang Nipis Heksagon Kecil

        MJ Benang Kacang Nipis Heksagon Kecil

        Kacang Nipis Heksagon Kecil Benang MJ diperbuat daripada bahan berkualiti tinggi dan sesuai untuk pelbagai jenis aplikasi, daripada pemasangan elektronik pengguna kepada pembinaan struktur mikro. Jika anda sedang mencari pembekal kacang heksagon Cina lebih rata dengan benang pic halus, anda boleh memilih Xiaoguo ®.
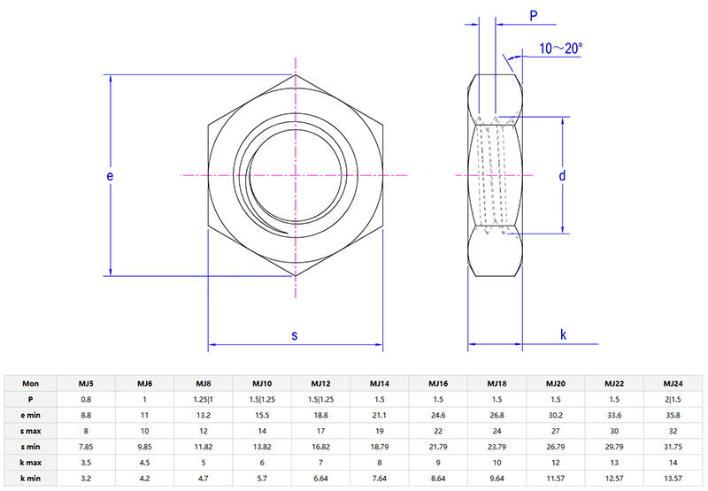
        Model:HB 8243-2002

        Hantar Pertanyaan

        Penerangan Produk

        MJ benang kecil kacang nipis heksagonialah kacang padat dan berprofil rendah. "Benang MJ" merujuk kepada benang penerbangan metrik khas dengan akar bulat dan rintangan keletihan yang lebih baik. Parameternya seperti profil gigi dan padang telah dioptimumkan untuk memenuhi keperluan sambungan berkekuatan tinggi dan kebolehpercayaan tinggi. Ia digunakan dalam kejuruteraan ketepatan, seperti pesawat, kereta lumba atau robot, dsb.

        Butiran produk dan parameter

        MJ thread small hexagon thin nuts


        Kacang nipis heksagon kecil benang MJ sering digunakan dalam aeroangkasa (seperti panel satelit), enjin berprestasi tinggi atau peranti perubatan. Benang MJ boleh mengurangkan kepekatan tegasan, membolehkan penggunaannya dalam persekitaran dengan getaran atau beban kitaran. Mekanik menggunakannya pada motosikal; Jurutera menggunakannya untuk kenderaan udara tanpa pemandu.

        Kacang nipis heksagon kecil lebih tahan lama daripada benang metrik konvensional. Akar benang MJ berbentuk bulat (bukan tajam), mengurangkan kemungkinan retak di bawah daya berulang. Oleh kerana toleransi yang lebih kecil, ia juga kurang berkemungkinan tersilap. Jika pincang tugas membawa kepada masa henti atau bahaya, benang MJ harus digunakan sebaliknya. Di samping itu, ia lebih ringan dalam berat dan digunakan dalam aeroangkasa atau medan perlumbaan.

        MJ benang kecil kacang nipis heksagondigunakan enjin berprestasi tinggi, komponen satelit atau implan perubatan. Ketepatan benang MJ boleh mengurangkan geseran semasa proses mengetatkan. Mereka boleh menahan kakisan dalam persekitaran yang keras. Petua profesional: Gunakan berus nilon untuk membersihkan benang. Serpihan boleh menyumbat benang MJ dengan mudah.




        MJ thread small hexagon thin nuts

        Petua Pemasangan

        Ketepatan adalah kunci semasa memasangMJ benang kecil kacang nipis heksagon. Ia lebih nipis daripada benang metrik standard. Oleh itu, sila gunakannya dalam kombinasi dengan bolt MJ. Benang bercampur akan menyebabkan haus pada kedua-duanya. Sila gunakan sepana atau soket yang langsing untuk mengelakkan tergelincir pada tepi heksagon nipis. Untuk sambungan kunci, sila gunakan agen pengunci benang.


        Teg Panas: MJ Thread Kacang Nipis Heksagon Kecil, China, Pengilang, Pembekal, Kilang
        Kategori Berkaitan
        Hantar Pertanyaan
        Sila berasa bebas untuk memberikan pertanyaan anda dalam borang di bawah. Kami akan membalas anda dalam masa 24 jam.
        X
        Kami menggunakan kuki untuk menawarkan anda pengalaman menyemak imbas yang lebih baik, menganalisis trafik tapak dan memperibadikan kandungan. Dengan menggunakan tapak ini, anda bersetuju dengan penggunaan kuki kami. Dasar Privasi
        Tolak Terima