Rumah > Produk > Kacang > Kacang Heksagon > Kacang Heksagon Besar Sistem HR
        Kacang Heksagon Besar Sistem HR
        • Kacang Heksagon Besar Sistem HRKacang Heksagon Besar Sistem HR
        • Kacang Heksagon Besar Sistem HRKacang Heksagon Besar Sistem HR
        • Kacang Heksagon Besar Sistem HRKacang Heksagon Besar Sistem HR

        Kacang Heksagon Besar Sistem HR

        Nat heksagon besar HR Sistem adalah sebahagian daripada pasangan sambungan struktur bolt berkekuatan tinggi yang dipramuat, digunakan bersama dengan bolt kepala heksagon besar jenis HR, dan sering digunakan dalam struktur keluli dalam industri pembinaan. Produk pengilang profesional Xiaoguo® telah diuji dan memenuhi piawaian kualiti, dan berpatutan.
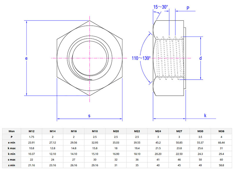
        Model:EN 14399-7-2007

        Hantar Pertanyaan

        Penerangan Produk

        Sistem HR kacang heksagon besardigunakan dalam kombinasi dengan bolt bersaiz besar dan biasanya digunakan dalam pekerjaan yang memerlukan daya dan kestabilan yang lebih besar. Mereka sering digunakan dalam industri pembinaan, seperti dalam bangunan struktur keluli, untuk membaiki rasuk dan tiang bersama-sama.

        Butiran produk dan parameter

        System HR large hexagon nuts

        Beberapa butiran perlu diberi perhatian semasa memasang kacang heksagon besar HR sistem. Pertama sekali, pastikan saiz benang nat sepadan dengan bolt dengan tepat. Sebarang ketidakpadanan boleh menyebabkan sambungan tidak selamat. Selepas menemui nat yang sesuai, letakkan nat pada bolt. Kemudian, angkat sepana. Putar sepana mengikut arah jam untuk mengetatkan nat. Memandangkan kacang ini sesuai untuk aplikasi berkekuatan tinggi, daya yang besar perlu digunakan untuk mengetatkannya.

        Dalam industri pembinaan, kacang heksagon besar digunakan untuk pembinaan bangunan struktur keluli. Para pekerja menggunakan kacang ini untuk membetulkan rasuk dan tiang bersama-sama untuk membina rangka kerja yang kukuh untuk bangunan. Dalam pembinaan jambatan, ia sangat penting dalam menyambungkan struktur jambatan, memastikan ia dapat menampung berat kenderaan dan daya semula jadi. Mereka juga digunakan untuk membina gudang besar dan kemudahan perindustrian.

        Sistem HR kacang heksagon besardigunakan dalam peralatan perlombongan, turbin angin atau peralatan pembinaan berat. Ia sering digunakan dalam persekitaran bertekanan tinggi seperti kilang keluli atau limbungan kapal, dan bentuk heksagonnya yang besar sesuai untuk sepana industri. Petani menggunakannya pada traktor. Kilang bergantung kepada mereka untuk memasang sistem penghantaran.

        System HR large hexagon nuts

        Pertimbangan Saiz

        Sistem HR kacang heksagon besarsboleh didapati dalam pelbagai saiz. Saiz yang lebih kecil (seperti sekitar M12) boleh digunakan untuk struktur kecil yang masih memerlukan sambungan yang kukuh. Sebagai contoh, pembinaan bingkai logam kecil untuk peralatan atau peranti industri ringan tertentu. Saiz yang lebih besar (dalam beberapa kes sehingga M36 atau lebih besar) sesuai untuk projek pembinaan berskala besar. Apabila membina loji industri besar atau bangunan berbilang tingkat, kacang bersaiz besar ini digunakan untuk membaiki komponen struktur utama. Adalah sangat penting untuk mengukur saiz bolt dengan tepat sebelum memilih nat.

        Teg Panas: Sistem HR Kacang Heksagon Besar, China, Pengilang, Pembekal, Kilang
        Kategori Berkaitan
        Hantar Pertanyaan
        Sila berasa bebas untuk memberikan pertanyaan anda dalam borang di bawah. Kami akan membalas anda dalam masa 24 jam.
        X
        Kami menggunakan kuki untuk menawarkan anda pengalaman menyemak imbas yang lebih baik, menganalisis trafik tapak dan memperibadikan kandungan. Dengan menggunakan tapak ini, anda bersetuju dengan penggunaan kuki kami. Dasar Privasi
        Tolak Terima